Động cơ servo là gì? Tất cả các loại AC & DC Servo

09/09/2025
33 Phút đọc
1707 Lượt xem

Động cơ servo là một hệ thống truyền động vòng kín được ứng dụng để điều khiển chính xác vị trí, tốc độ và momen, đóng vai trò là thành phần cốt lõi trong các hệ thống tự động hóa công nghiệp hiện đại. Để đáp ứng các yêu cầu ngày càng cao về hiệu suất, độ chính xác và độ tin cậy, việc lựa chọn và ứng dụng đúng hệ thống servo là yếu tố then chốt, và Thanh Thiên Phú sẽ cung cấp các giải pháp kỹ thuật toàn diện cho nhu cầu này trong bài viết sau đây.

1. Động cơ servo là gì?

Động cơ servo, hay servo motor, là một hệ thống truyền động vòng kín, được thiết kế để điều khiển chuyển động quay hoặc tuyến tính một cách cực kỳ chính xác. Điểm khác biệt cốt lõi của một motor servo so với các loại động cơ điện thông thường nằm ở khả năng kiểm soát chính xác tuyệt đối vị trí, tốc độ và momen xoắn.

Thay vì chỉ quay liên tục khi được cấp điện, hệ thống servo có khả năng di chuyển đến một vị trí góc cụ thể, duy trì tốc độ đã định và tạo ra một lực xoắn chính xác theo tín hiệu lệnh từ bộ điều khiển.

Động cơ servo là gì?
Động cơ servo là gì?

Để làm được điều này, một hệ thống servo hoàn chỉnh không chỉ bao gồm bản thân động cơ mà còn có một bộ điều khiển chuyên dụng (Servo Drive) và một thiết bị phản hồi (thường là encoder) được tích hợp ngay trên trục động cơ. Thiết bị phản hồi này liên tục đo lường vị trí và tốc độ thực tế của động cơ và gửi thông tin về cho bộ điều khiển. Bộ điều khiển sau đó sẽ so sánh tín hiệu phản hồi này với tín hiệu lệnh mong muốn và tự động điều chỉnh dòng điện cấp cho động cơ để triệt tiêu bất kỳ sai lệch nào.

Hệ thống servo vòng kín
Hệ thống servo vòng kín

Cơ chế hoạt động vòng kín này mang lại khả năng đáp ứng nhanh, độ chính xác gần như tuyệt đối và sự ổn định vượt trội, điều mà các hệ thống vòng hở như động cơ bước không thể nào đạt được. Nhờ vậy, động cơ servo trở thành lựa chọn không thể thay thế trong các ứng dụng đòi hỏi sự tinh vi và độ lặp lại cao, từ cánh tay robot công nghiệp, máy gia công CNC, và các dây chuyền lắp ráp tự động.

2. Đặc điểm của động cơ servo

Động cơ servo sở hữu các đặc tính kỹ thuật ưu việt, là công cụ hiệu quả cho các kỹ sư trong việc thiết kế và vận hành các hệ thống tự động hóa hiệu suất cao. Đặc tính quan trọng hàng đầu của motor servo là độ chính xác định vị. Thông qua cơ chế phản hồi vòng kín từ encoder, hệ thống có thể đạt và duy trì vị trí với sai số cực nhỏ, thường được đo bằng đơn vị arcminute hoặc arcsecond. Đặc tính này mang tính quyết định trong các ứng dụng như gia công cơ khí chính xác, nơi sai số kích thước sản phẩm phải được kiểm soát ở mức micromet, hoặc trong các máy gắn chip (chip mounter) trong ngành công nghiệp điện tử.

Thêm vào đó, khả năng đáp ứng động học của động cơ servo rất cao. Hệ thống có khả năng đạt được tốc độ và momen xoắn định mức trong một khoảng thời gian rất ngắn, thường chỉ vài mili giây, cho phép thực hiện các chu trình làm việc với tần suất cao, từ đó tối ưu hóa năng suất của dây chuyền sản xuất.

Khả năng điều khiển momen xoắn cũng là một thế mạnh. Servo drive cho phép kiểm soát và giới hạn chính xác momen đầu ra của động cơ, giúp bảo vệ các cơ cấu cơ khí khỏi tình trạng quá tải và đảm bảo lực tác động được kiểm soát, ví dụ như trong các ứng dụng siết lực hoặc máy kiểm tra độ bền vật liệu.

Động cơ servo có khả năng điều khiển chính xác momen xoắn và vị trí
Động cơ servo có khả năng điều khiển chính xác momen xoắn và vị trí

Hơn nữa, motor servo có hiệu suất chuyển đổi năng lượng cao, thường trên 90%, do dòng điện được điều chỉnh một cách tối ưu theo yêu cầu của tải tại mỗi thời điểm. Cuối cùng, quá trình vận hành của động cơ servo có độ ồn và độ rung thấp, góp phần cải thiện môi trường làm việc và tăng độ bền cho các thành phần cơ khí liên quan.

3. Cấu tạo động cơ servo

Để khai thác hiệu quả động cơ servo, việc nắm vững cấu trúc của nó là yêu cầu cơ bản đối với các kỹ sư và kỹ thuật viên. Một hệ thống servo tiêu chuẩn bao gồm ba thành phần chính: động cơ servo (servo motor), bộ điều khiển servo (servo drive) và bộ mã hóa (encoder).

Thứ nhất, động cơ servo là cơ cấu chấp hành, trực tiếp chuyển đổi năng lượng điện thành chuyển động cơ học. Cấu trúc của động cơ bao gồm stator (phần tĩnh) và rotor (phần quay). Stator chứa các cuộn dây pha được quấn quanh lõi sắt từ. Khi được cấp điện bởi servo drive, các cuộn dây này tạo ra một từ trường quay. Rotor thường được chế tạo từ các nam châm vĩnh cửu có từ tính cực mạnh.

Sự tương tác giữa từ trường quay của stator và từ trường của nam châm trên rotor tạo ra momen xoắn làm quay rotor. Thiết kế này giúp tối ưu hóa tỉ lệ momen trên quán tính, cho phép động cơ có khả năng tăng tốc và giảm tốc nhanh.

Thứ hai, bộ mã hóa (encoder) là thiết bị cảm biến phản hồi vị trí và tốc độ. Encoder được lắp đặt đồng trục với trục động cơ. Chức năng chính của nó là đo lường vị trí góc và tốc độ quay của rotor một cách chính xác và chuyển đổi các thông tin này thành tín hiệu điện tử. Tín hiệu này sau đó được truyền về bộ điều khiển servo.

Độ phân giải của encoder, được biểu thị bằng số xung trên một vòng quay (Pulses Per Revolution – PPR), là một trong những yếu tố chính quyết định độ chính xác của toàn bộ hệ thống. Các encoder hiện đại có thể đạt độ phân giải rất cao, lên tới hơn 20 bit (hơn 1 triệu xung/vòng).

Cấu tạo của động cơ servo
Cấu tạo của động cơ servo

Thứ ba, bộ điều khiển servo (servo drive) là trung tâm xử lý, chịu trách nhiệm nhận tín hiệu lệnh và điều khiển động cơ. Nó nhận tín hiệu điều khiển từ một thiết bị cấp cao hơn như PLC, PC hoặc bộ điều khiển chuyển động. Đồng thời, nó cũng nhận tín hiệu phản hồi từ encoder.

Bên trong servo drive là một bộ vi xử lý tín hiệu số (DSP) mạnh mẽ, thực hiện việc so sánh tín hiệu lệnh và tín hiệu phản hồi để tính toán sai số. Dựa trên sai số này và các thuật toán điều khiển (thường là PID), drive sẽ điều chế độ rộng xung (PWM) để tạo ra điện áp và tần số phù hợp cấp cho các cuộn dây của động cơ, mục tiêu là triệt tiêu sai số. Quá trình này được lặp lại với tần suất rất cao (vài kHz), đảm bảo động cơ luôn bám sát quỹ đạo chuyển động yêu cầu.

Sự kết hợp chặt chẽ và tương tác liên tục giữa ba thành phần này tạo nên một hệ thống vòng kín hoàn hảo, mang lại cho động cơ servo những đặc tính vượt trội mà không một loại động cơ nào khác có thể sánh được.

4. Nguyên lý hoạt động của động cơ servo

Nguyên lý hoạt động của động cơ servo dựa trên một vòng lặp điều khiển kín (closed-loop control), một nguyên tắc nền tảng trong kỹ thuật điều khiển tự động. Quá trình này đảm bảo mọi chuyển động của động cơ được giám sát và điều chỉnh liên tục để đạt được các thông số vận hành mong muốn.

Nguyên lý hoạt động của động cơ servo
Nguyên lý hoạt động của động cơ servo

Chu trình bắt đầu khi bộ điều khiển trung tâm, chẳng hạn như một PLC hoặc một bộ điều khiển chuyển động chuyên dụng, gửi một tín hiệu lệnh đến bộ điều khiển servo (servo drive). Tín hiệu này định nghĩa mục tiêu chuyển động, bao gồm thông tin về vị trí đích, tốc độ yêu cầu hoặc momen xoắn cần tạo ra. Tín hiệu lệnh có thể ở dạng chuỗi xung (pulse train), tín hiệu analog (ví dụ: +/- 10V) hoặc thông qua mạng truyền thông công nghiệp như EtherCAT, Profinet.

Ngay khi nhận được tín hiệu lệnh, bộ điều khiển servo sẽ ngay lập tức xử lý thông tin và cấp một dòng điện ban đầu vào các cuộn dây stator của động cơ servo. Dòng điện này tạo ra một từ trường, tương tác với từ trường của nam châm vĩnh cửu trên rotor, sinh ra momen xoắn và làm cho trục động cơ bắt đầu quay theo hướng mong muốn.

Đồng thời, bộ mã hóa (encoder) gắn trên trục động cơ sẽ quay cùng với trục. Encoder liên tục đo đạc vị trí góc và tốc độ quay thực tế của trục và mã hóa chúng thành tín hiệu điện tử. Tín hiệu phản hồi này được gửi ngược trở lại bộ điều khiển servo một cách gần như tức thời.

Tại servo drive, bộ vi xử lý thực hiện phép so sánh giữa tín hiệu lệnh (giá trị đặt) và tín hiệu phản hồi từ encoder (giá trị thực tế). Kết quả của phép so sánh này là một tín hiệu sai số (error signal). Tín hiệu này đại diện cho sự chênh lệch giữa trạng thái mong muốn và trạng thái thực tế của động cơ.

Dựa trên tín hiệu sai số này, bộ điều khiển servo sẽ thực hiện các thuật toán điều khiển phức tạp (thường là thuật toán PID – Proportional, Integral, Derivative) để tính toán và điều chỉnh lại dòng điện cấp cho động cơ. Nếu động cơ quay chưa đủ nhanh hoặc chưa đến vị trí, bộ điều khiển sẽ tăng dòng điện. Nếu nó quay quá nhanh hoặc vượt qua vị trí mong muốn, bộ điều khiển sẽ giảm dòng điện hoặc thậm chí đảo chiều dòng điện để tạo ra một lực hãm.

Toàn bộ chu trình từ việc gửi lệnh, động cơ quay, encoder phản hồi, so sánh sai số và điều chỉnh dòng điện diễn ra liên tục với tần suất cực cao, hàng nghìn lần mỗi giây. Vòng lặp này chỉ kết thúc khi tín hiệu sai số bằng không, tức là vị trí và tốc độ thực tế của động cơ hoàn toàn trùng khớp với vị trí và tốc độ mà bộ điều khiển trung tâm yêu cầu. Nhờ nguyên lý hoạt động tinh vi này, hệ thống servo có thể chống lại các yếu tố gây nhiễu từ bên ngoài như sự thay đổi của tải trọng, ma sát, đảm bảo động cơ luôn hoạt động chính xác và ổn định trong mọi điều kiện.

5. Phân loại động cơ servo

Động cơ servo được phân thành hai loại chính dựa trên loại dòng điện mà chúng sử dụng để hoạt động: Động cơ servo AC và Động cơ servo DC. Việc lựa chọn giữa hai loại này phụ thuộc rất nhiều vào yêu cầu cụ thể của ứng dụng, từ quy mô, công suất, tốc độ cho đến chi phí và môi trường làm việc. Hiểu rõ sự khác biệt giữa chúng là yếu tố quan trọng giúp các kỹ sư đưa ra quyết định thiết kế hệ thống tối ưu nhất.

Sự khác nhau giữa động cơ AC servo và DC servo
Sự khác nhau giữa động cơ AC servo và DC servo

Động cơ servo AC (xoay chiều) là loại phổ biến nhất trong các ứng dụng công nghiệp hiện đại. Chúng hoạt động dựa trên nguồn điện xoay chiều và thường có cấu tạo không chổi than (brushless). Rotor của động cơ AC servo được làm từ nam châm vĩnh cửu có từ trường rất mạnh, trong khi stator chứa các cuộn dây được cấp nguồn điện xoay chiều ba pha điều chế bởi servo drive.

Ưu điểm vượt trội của AC servo là khả năng cung cấp công suất và momen xoắn rất lớn, phù hợp cho các ứng dụng tải nặng và yêu cầu tốc độ cao như máy cắt CNC, máy ép nhựa, robot công nghiệp cỡ lớn. Do không sử dụng chổi than, động cơ servo AC có độ bền cao, ít yêu cầu bảo trì, và không phát sinh tia lửa điện trong quá trình hoạt động, giúp chúng có thể làm việc an toàn trong các môi trường yêu cầu phòng chống cháy nổ. Hơn nữa, chúng hoạt động rất êm ái và hiệu suất năng lượng cao, giúp tiết kiệm chi phí vận hành đáng kể. Tuy nhiên, cấu trúc điều khiển của hệ thống AC servo tương đối phức tạp và chi phí đầu tư ban đầu cũng thường cao hơn so với hệ thống DC servo.

Ngược lại, động cơ servo DC (một chiều) hoạt động với nguồn điện một chiều và thường được sử dụng trong các ứng dụng nhỏ hơn, công suất thấp hơn. Động cơ DC servo truyền thống thường có cấu tạo chổi than (brushed), nơi dòng điện được truyền đến cuộn dây trên rotor thông qua một cặp chổi than và cổ góp. Cấu trúc này làm cho nguyên lý điều khiển trở nên đơn giản và chi phí sản xuất thấp hơn. Chúng mang lại khả năng kiểm soát tốc độ tốt ở dải tốc độ thấp và phản ứng nhanh.

Tuy nhiên, sự hiện diện của chổi than lại là nhược điểm lớn nhất. Chổi than sẽ bị mài mòn theo thời gian, đòi hỏi phải bảo trì và thay thế định kỳ, đồng thời tạo ra nhiễu điện từ và tia lửa điện, làm giới hạn tốc độ quay và không phù hợp với các môi trường dễ cháy nổ hoặc yêu cầu độ sạch cao.

Để khắc phục những nhược điểm này, động cơ DC servo không chổi than (brushless DC – BLDC) đã ra đời, mang lại hiệu suất và độ bền cao hơn, nhưng cũng đi kèm với mạch điều khiển phức tạp và chi phí cao hơn. Loại này có cấu trúc tương tự động cơ AC servo với nam châm vĩnh cửu trên rotor và cuộn dây trên stator, giúp loại bỏ các nhược điểm của chổi than. Chúng thường được sử dụng trong các ứng dụng nhỏ gọn, yêu cầu đáp ứng nhanh như trong các thiết bị y tế, hàng không và robot nhỏ.

Nhìn chung, trong bối cảnh công nghiệp hóa và tự động hóa ngày càng phát triển, động cơ AC servo đang dần chiếm ưu thế và trở thành lựa chọn hàng đầu cho hầu hết các ứng dụng nhờ vào hiệu suất, độ bền và sự an toàn vượt trội.

6. Hướng dẫn lắp đặt và điều khiển servo

Việc lắp đặt và điều khiển thành công một hệ thống động cơ servo là một kỹ năng quan trọng, đòi hỏi sự cẩn trọng, kiến thức kỹ thuật và tuân thủ nghiêm ngặt các quy trình để đảm bảo hệ thống hoạt động chính xác, ổn định và an toàn. Quá trình này có thể được chia thành các giai đoạn chính: lắp đặt cơ khí, kết nối điện và cấu hình phần mềm.

Đầu tiên là giai đoạn lắp đặt cơ khí. Động cơ servo phải được gắn chắc chắn vào khung máy. Bề mặt lắp đặt cần phải phẳng và đủ độ cứng để chịu được momen xoắn và các lực động do động cơ tạo ra khi vận hành ở tốc độ cao. Việc gá lắp không vững chắc có thể gây ra rung động, làm giảm độ chính xác và thậm chí gây hư hỏng cho cả động cơ và cơ cấu máy.

Trục của động cơ servo cần được kết nối với tải thông qua các khớp nối (coupling). Lựa chọn khớp nối phù hợp là rất quan trọng để bù trừ cho các sai lệch nhỏ về độ đồng tâm giữa trục động cơ và trục tải, đồng thời truyền tải momen một cách hiệu quả và giảm thiểu rung động. Cần đảm bảo rằng việc lắp ráp khớp nối không tạo ra lực tác động hướng tâm hoặc hướng trục quá lớn lên trục động cơ, vì điều này có thể làm hỏng ổ bi.

Tiếp theo là giai đoạn kết nối điện, đây là bước đòi hỏi sự chính xác tuyệt đối. Trước hết, cần kết nối nguồn điện động lực cho bộ điều khiển servo (servo drive). Nguồn điện này phải đúng với điện áp yêu cầu (ví dụ 220VAC 1 pha hoặc 380VAC 3 pha) và có công suất đủ lớn.

Các dây pha U, V, W từ servo drive phải được kết nối chính xác đến các cọc đấu dây tương ứng trên động cơ servo. Việc đấu nhầm dây pha có thể khiến động cơ không hoạt động hoặc quay không đúng chiều. Cáp encoder từ động cơ cũng phải được kết nối chặt chẽ vào cổng encoder trên servo drive. Đây là đường truyền tín hiệu phản hồi quan trọng, bất kỳ sự lỏng lẻo hay nhiễu nào trên đường cáp này cũng sẽ ảnh hưởng nghiêm trọng đến hoạt động của hệ thống.

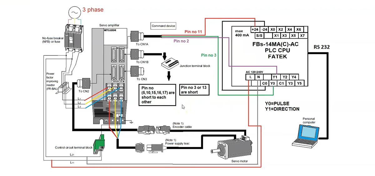
Sơ đồ đấu nối hệ thống điều khiển động cơ servo
Sơ đồ đấu nối hệ thống điều khiển động cơ servo

Cuối cùng, cần kết nối các tín hiệu điều khiển từ PLC hoặc bộ điều khiển khác đến servo drive, bao gồm các tín hiệu xung (Pulse/Direction) hoặc tín hiệu analog để ra lệnh vị trí/tốc độ, và các tín hiệu I/O khác như Servo ON, Alarm Reset, và tín hiệu từ các cảm biến giới hạn hành trình. Toàn bộ hệ thống dây dẫn cần được đi trong máng cáp gọn gàng, sử dụng cáp có vỏ bọc chống nhiễu và nối đất đúng kỹ thuật để tránh nhiễu điện từ.

Giai đoạn cuối cùng và cũng là quan trọng nhất là cấu hình và dò thông số (tuning). Sau khi đã kết nối phần cứng, kỹ sư cần sử dụng phần mềm chuyên dụng của nhà sản xuất, kết nối máy tính với servo drive. Bước đầu tiên là cài đặt các thông số cơ bản của động cơ, như độ phân giải encoder, tỉ số truyền hộp số (nếu có), các giới hạn về tốc độ và momen. Sau đó, cần thực hiện quá trình dò thông số (tuning).

Hầu hết các servo drive hiện đại đều có chế độ auto-tuning, tự động tối ưu hóa các thông số điều khiển (gain) để phù hợp với đặc tính của tải. Tuy nhiên, trong nhiều trường hợp, việc tinh chỉnh thủ công các tham số PID (Proportional, Integral, Derivative gain) là cần thiết để đạt được hiệu suất tối ưu, giảm thiểu thời gian đáp ứng và loại bỏ hoàn toàn hiện tượng vọt lố (overshoot) hoặc dao động. Sau khi tuning, cần chạy thử nghiệm ở các tốc độ khác nhau để kiểm tra sự ổn định và độ chính xác của hệ thống trước khi đưa vào vận hành chính thức.

7. Lỗi phổ biến và cách khắc phục

Trong quá trình vận hành, dù hệ thống động cơ servo rất đáng tin cậy, việc phát sinh lỗi là điều khó tránh khỏi. Nhận biết sớm các lỗi phổ biến và trang bị kiến thức để khắc phục chúng là kỹ năng cần thiết giúp các kỹ thuật viên giảm thiểu thời gian dừng máy và duy trì hiệu suất sản xuất. Hầu hết các bộ điều khiển servo hiện đại đều được trang bị hệ thống chẩn đoán lỗi thông minh, hiển thị mã lỗi trên màn hình hoặc thông qua phần mềm, giúp việc xác định nguyên nhân trở nên dễ dàng hơn.

Kiểm tra và chẩn đoán lỗi động cơ servo
Kiểm tra và chẩn đoán lỗi động cơ servo

Một trong những lỗi thường gặp nhất là lỗi quá tải (Overload). Lỗi này xảy ra khi động cơ phải làm việc với một momen xoắn cao hơn mức cho phép trong một khoảng thời gian nhất định. Nguyên nhân có thể do tải trọng cơ khí quá lớn, kẹt cơ khí, hoặc các thông số tăng tốc/giảm tốc được cài đặt quá cao.

Để khắc phục, trước tiên cần kiểm tra cơ cấu cơ khí để đảm bảo không có bất kỳ sự cản trở nào. Sau đó, kiểm tra lại tính toán và lựa chọn động cơ xem đã phù hợp với tải hay chưa. Nếu động cơ đã phù hợp, có thể thử giảm giá trị thông số gia tốc và giảm tốc trong bộ điều khiển.

Lỗi quá áp (Overvoltage) cũng là một vấn đề phổ biến, thường xảy ra trong quá trình giảm tốc. Khi động cơ giảm tốc đột ngột, nó hoạt động như một máy phát điện, tạo ra một dòng năng lượng trả ngược về bộ điều khiển servo, làm tăng điện áp trên bus DC. Nếu năng lượng này quá lớn, điện áp sẽ vượt ngưỡng cho phép và gây ra lỗi.

Giải pháp hiệu quả nhất cho vấn đề này là lắp đặt thêm một điện trở xả (braking resistor). Điện trở này sẽ tiêu tán năng lượng tái sinh dưới dạng nhiệt, giữ cho điện áp bus DC ở mức an toàn.

Lỗi liên quan đến encoder là một nhóm lỗi nghiêm trọng khác, ảnh hưởng trực tiếp đến độ chính xác của hệ thống. Các mã lỗi có thể bao gồm mất tín hiệu encoder, tín hiệu encoder nhiễu, hoặc sai số vị trí quá lớn (Position Deviation Error). Nguyên nhân có thể do cáp encoder bị lỏng, đứt, hoặc bị nhiễu từ các nguồn công suất lớn gần đó.

Để xử lý, cần kiểm tra lại kết nối của cáp encoder ở cả hai đầu động cơ và bộ điều khiển, đảm bảo chúng được cắm chặt và không bị hư hại. Nên sử dụng cáp chuyên dụng có vỏ bọc chống nhiễu và đi dây tín hiệu encoder tách biệt với dây động lực. Nếu lỗi vẫn tiếp diễn, có thể encoder đã bị hỏng và cần được thay thế.

Cuối cùng, lỗi quá nhiệt (Overheat) xảy ra khi nhiệt độ của động cơ hoặc bộ điều khiển vượt quá giới hạn an toàn. Điều này có thể do động cơ hoạt động quá tải liên tục, môi trường làm việc quá nóng, hoặc hệ thống tản nhiệt của bộ điều khiển bị bám bụi bẩn, cản trở lưu thông không khí. Cần kiểm tra lại điều kiện tải, đảm bảo thông gió tốt cho tủ điện chứa bộ điều khiển và vệ sinh quạt tản nhiệt cũng như các khe thoát nhiệt định kỳ.

Việc hiểu và xử lý các lỗi này không chỉ giúp khôi phục hoạt động của máy móc một cách nhanh chóng mà còn giúp ngăn ngừa các sự cố nghiêm trọng hơn, kéo dài tuổi thọ của thiết bị.

8. Ứng dụng động cơ servo

Sự linh hoạt, chính xác và mạnh mẽ của động cơ servo đã giúp nó trở thành một công nghệ nền tảng, hiện diện trong vô số ứng dụng trên khắp các ngành công nghiệp, từ sản xuất, chế tạo cho đến y tế và năng lượng. Khả năng điều khiển chuyển động tinh vi của motor servo đã tạo ra một cuộc cách mạng trong tự động hóa, nâng cao năng suất, chất lượng sản phẩm.

Trong lĩnh vực sản xuất công nghiệp và chế tạo máy, động cơ servo là thành phần không thể thiếu trong các máy gia công kim loại CNC như máy phay, máy tiện, máy cắt laser và máy cắt plasma. Tại đây, chúng chịu trách nhiệm điều khiển chuyển động của các trục X, Y, Z với độ chính xác đến từng micromet, đảm bảo các chi tiết được gia công đúng với bản vẽ thiết kế. Các cánh tay robot công nghiệp, được sử dụng trong các dây chuyền hàn, sơn, lắp ráp và gắp đặt sản phẩm, đều dựa vào hệ thống nhiều động cơ servo để mô phỏng lại các chuyển động phức tạp của cánh tay người với tốc độ và độ lặp lại vượt trội.

Ứng dụng của động cơ servo trong các ngành công nghiệp
Ứng dụng của động cơ servo trong các ngành công nghiệp

Ngành công nghiệp đóng gói và thực phẩm cũng được hưởng lợi rất nhiều từ công nghệ servo. Các máy đóng gói, máy chiết rót, máy dán nhãn và máy in date đều sử dụng động cơ servo để điều khiển các cơ cấu định lượng sản phẩm, di chuyển bao bì, và cắt dán với tốc độ cao và đồng bộ hóa chính xác. Điều này không chỉ tăng tốc độ dây chuyền mà còn đảm bảo tính nhất quán và thẩm mỹ của sản phẩm cuối cùng.

Trong ngành dệt may, motor servo được ứng dụng trong các máy may công nghiệp tự động, máy cắt vải laser và máy thêu vi tính. Chúng giúp điều khiển chính xác chuyển động của kim may, dao cắt và khung thêu, cho phép tạo ra các sản phẩm với đường may phức tạp, hoa văn tinh xảo và cắt vải theo những đường cong phức tạp một cách nhanh chóng và hoàn hảo.

Ngành năng lượng, đặc biệt là năng lượng tái tạo, cũng tìm thấy ứng dụng quan trọng cho động cơ servo. Trong các hệ thống pin mặt trời, động cơ servo được sử dụng để điều khiển các tấm pin xoay theo hướng của mặt trời trong ngày, một quá trình gọi là theo dõi mặt trời (solar tracking). Việc này giúp tối đa hóa lượng ánh sáng mặt trời mà tấm pin nhận được, từ đó tăng hiệu suất phát điện lên đáng kể.

Ngoài ra, động cơ servo còn có mặt trong các lĩnh vực công nghệ cao khác như thiết bị y tế (máy chụp CT, máy MRI, robot phẫu thuật), hàng không vũ trụ (điều khiển các bề mặt khí động học của máy bay), và các hệ thống mô phỏng thực tế ảo. Sự hiện diện rộng khắp của động cơ servo là minh chứng rõ ràng cho vai trò không thể thiếu của nó trong việc thúc đẩy sự phát triển của công nghệ và sản xuất hiện đại.

9. So sánh servo với động cơ bước và động cơ thông thường

Việc lựa chọn đúng loại động cơ cho một ứng dụng cụ thể là một trong những quyết định quan trọng nhất đối với một kỹ sư thiết kế.

So sánh động cơ servo với động cơ bước và động cơ thông thường
So sánh động cơ servo với động cơ bước và động cơ thông thường

Ba loại động cơ phổ biến nhất trong công nghiệp là động cơ servo, động cơ bước (stepper motor), và động cơ không đồng bộ thông thường (induction motor). Mỗi loại có những đặc điểm, ưu và nhược điểm riêng, phù hợp với các yêu cầu và ngân sách khác nhau.

Đặc tính Động cơ servo Động cơ bước (Stepper Motor) Động cơ thông thường (Induction Motor)
Nguyên lý điều khiển Vòng kín (Closed-loop) với encoder phản hồi Vòng hở (Open-loop), điều khiển theo từng bước góc Vòng hở, điều khiển tốc độ chủ yếu qua tần số (với biến tần)
Độ chính xác Rất cao, có khả năng tự sửa lỗi vị trí Cao, nhưng có thể bị mất bước nếu quá tải mà không có phản hồi Thấp, không dùng cho điều khiển vị trí chính xác
Tốc độ hoạt động Dải tốc độ hoạt động rộng và ổn định, đặc biệt tốt ở tốc độ cao Hoạt động tốt ở tốc độ thấp và trung bình, momen giảm nhanh khi tốc độ tăng Hoạt động tốt nhất ở tốc độ gần định mức, khó điều khiển ở tốc độ thấp
Momen xoắn Momen cao và ổn định trên toàn dải tốc độ, có khả năng quá tải trong thời gian ngắn Momen cao nhất khi đứng yên và ở tốc độ thấp, giảm đáng kể ở tốc độ cao Momen phụ thuộc vào tốc độ và tải, không ổn định ở tốc độ thấp
Khả năng đáp ứng Rất nhanh, tăng tốc và giảm tốc trong thời gian cực ngắn Đáp ứng tốt, nhưng bị giới hạn bởi quán tính và nguy cơ mất bước Chậm, quán tính rotor lớn, không phù hợp cho các ứng dụng thay đổi tốc độ liên tục
Hiệu suất năng lượng Rất cao, chỉ tiêu thụ dòng điện khi cần thiết Thấp, động cơ luôn tiêu thụ dòng điện tối đa để giữ vị trí Trung bình đến cao, phụ thuộc vào tải và điểm làm việc
Độ ồn và rung Hoạt động rất êm ái, độ rung thấp Có thể gây ra tiếng ồn và rung ở một số dải tốc độ (hiện tượng cộng hưởng) Tương đối êm ái, nhưng có thể ồn hơn servo
Chi phí hệ thống Cao (bao gồm động cơ, drive, encoder, cáp) Thấp đến trung bình Thấp nhất (chỉ tính động cơ), nhưng cần biến tần để điều khiển tốc độ
Độ phức tạp Cao, yêu cầu cấu hình và tuning Tương đối đơn giản để cài đặt và vận hành Đơn giản nếu chạy trực tiếp, phức tạp hơn khi dùng với biến tần
Ứng dụng tiêu biểu Robot, máy CNC, máy đóng gói tốc độ cao, các ứng dụng yêu cầu độ chính xác và đáp ứng nhanh Máy in 3D, máy khắc laser nhỏ, các thiết bị định vị không yêu cầu tốc độ cao và tải trọng lớn Bơm, quạt, băng tải, các ứng dụng không yêu cầu điều khiển vị trí và thay đổi tốc độ đột ngột

Vậy nên, có thể nói động cơ servo là lựa chọn hàng đầu cho các ứng dụng yêu cầu hiệu suất cao nhất về tốc độ, độ chính xác và khả năng đáp ứng động. Động cơ bước là một giải pháp kinh tế hiệu quả cho các ứng dụng định vị đơn giản hơn ở tốc độ thấp và trung bình.

Trong khi đó, động cơ thông thường là lựa chọn lý tưởng cho các ứng dụng truyền động công suất lớn, hoạt động liên tục và không yêu cầu điều khiển vị trí chính xác. Việc hiểu rõ những khác biệt này sẽ giúp các doanh nghiệp đưa ra quyết định đầu tư thông minh, tối ưu hóa chi phí và nâng cao năng lực sản xuất.

10. Các thương hiệu servo phổ biến

Khi quyết định đầu tư vào một hệ thống động cơ servo, việc lựa chọn một thương hiệu uy tín và phù hợp với nhu cầu là một bước vô cùng quan trọng. Thị trường hiện nay có rất nhiều nhà sản xuất danh tiếng toàn cầu, mỗi hãng đều có những thế mạnh riêng về công nghệ, dải sản phẩm và hệ sinh thái hỗ trợ. Tại Thanh Thiên Phú, chúng tôi tự hào là nhà cung cấp các giải pháp servo từ những thương hiệu hàng đầu thế giới, đảm bảo mang đến cho khách hàng chất lượng, độ tin cậy và sự hỗ trợ kỹ thuật tốt nhất.

Siemens: Là một tập đoàn công nghệ khổng lồ đến từ Đức, Siemens nổi tiếng với dòng sản phẩm SIMOTICS và bộ điều khiển SINAMICS. Hệ thống servo của Siemens được đánh giá rất cao về độ bền bỉ, sự ổn định và khả năng tích hợp liền mạch vào hệ sinh thái tự động hóa toàn diện của hãng (TIA Portal). Các sản phẩm của Siemens thường là lựa chọn ưu tiên trong các ngành công nghiệp nặng, các dây chuyền sản xuất phức tạp và những ứng dụng đòi hỏi tiêu chuẩn an toàn và độ tin cậy cao nhất.

Động cơ servo Siemens dòng SIMOTICS
Động cơ servo Siemens dòng SIMOTICS

Mitsubishi Electric: Đến từ Nhật Bản, Mitsubishi là một trong những cái tên dẫn đầu trong lĩnh vực tự động hóa công nghiệp. Dòng sản phẩm MELSERVO của họ, đặc biệt là các series MR-J4 và MR-J5 mới nhất, được biết đến với hiệu suất vượt trội, tốc độ đáp ứng cực nhanh và các tính năng thông minh tiên tiến. Servo Mitsubishi rất phổ biến trong các ứng dụng chế tạo máy, robot và ngành công nghiệp điện tử nhờ vào độ chính xác cao, kích thước nhỏ gọn và phần mềm cấu hình thân thiện với người dùng.

Động cơ servo Mitsubishi dòng MELSERVO MR-J5
Động cơ servo Mitsubishi dòng MELSERVO MR-J5

INVT: Là một thương hiệu đang phát triển mạnh mẽ, INVT cung cấp các giải pháp servo với mức giá cạnh tranh nhưng vẫn đảm bảo chất lượng và hiệu suất đáng tin cậy. Dòng servo DA200 của INVT là một giải pháp toàn diện, dễ sử dụng, hỗ trợ nhiều chế độ điều khiển và giao thức truyền thông. Đây là sự lựa chọn thông minh cho các doanh nghiệp vừa và nhỏ muốn tiếp cận công nghệ servo hiện đại để nâng cấp máy móc và tối ưu hóa quy trình sản xuất mà không cần một ngân sách đầu tư quá lớn.

Schneider Electric: Với nguồn gốc từ Pháp, Schneider Electric cung cấp dòng sản phẩm Lexium servo drives và động cơ BCH/BMH. Các giải pháp của Schneider tập trung vào sự linh hoạt, khả năng kết nối và hiệu quả năng lượng. Hệ thống servo của họ dễ dàng tích hợp với các bộ điều khiển Modicon PLC và HMI Magelis, tạo thành một giải pháp tự động hóa đồng bộ và mạnh mẽ, đặc biệt phù hợp cho các ứng dụng trong ngành đóng gói, xử lý vật liệu và máy móc chuyên dụng.

Động cơ servo Schneider Electric
Động cơ servo Schneider Electric

ABB: Là một tập đoàn đa quốc gia Thụy Sĩ-Thụy Điển, ABB có một danh mục sản phẩm servo mạnh mẽ, đặc biệt là trong lĩnh vực robot và các ứng dụng công suất lớn. Động cơ và bộ điều khiển servo của ABB được thiết kế để hoạt động trong những môi trường công nghiệp khắc nghiệt nhất, mang lại hiệu suất cao và độ tin cậy lâu dài. Chúng thường được thấy trong ngành công nghiệp ô tô, luyện kim và năng lượng.

Động cơ servo ABB
Động cơ servo ABB

Việc lựa chọn thương hiệu nào phụ thuộc vào nhiều yếu tố như yêu cầu kỹ thuật của ứng dụng, hệ thống điều khiển hiện có, ngân sách đầu tư và dịch vụ hỗ trợ kỹ thuật.

11. Hướng dẫn lựa chọn động cơ servo phù hợp

Bước 1, Xác định yêu cầu ứng dụng

– Xác định khối lượng và kích thước của vật cần di chuyển.

– Tính toán mô-men xoắn cần thiết để di chuyển tải trọng.

– Xác định vận tốc tối đa mà động cơ cần đạt được.

– Xác định gia tốc tối đa mà động cơ cần đạt được.

– Xác định độ chính xác vị trí mà động cơ cần đạt được.

– Môi trường làm việc như nhiệt độ, độ ẩm, bụi bẩn…

– Chu kỳ làm việc liên tục hay gián đoạn.

Bước 2, Chọn loại động cơ servo

– Động cơ servo AC phù hợp cho các ứng dụng đòi hỏi mô-men xoắn lớn, độ chính xác cao và hoạt động liên tục.

– Động cơ servo DC phù hợp cho các ứng dụng có tải trọng nhẹ, không yêu cầu mô-men xoắn quá lớn và chi phí thấp.

Bước 3, Chọn công suất động cơ servo phải đủ lớn để đáp ứng các yêu cầu về tải trọng, mô-men xoắn, vận tốc và gia tốc. Nên chọn công suất động cơ lớn hơn một chút so với yêu cầu thực tế để đảm bảo động cơ hoạt động ổn định và bền bỉ.

Bước 4, Chọn bộ điều khiển servo drive phải tương thích với loại động cơ servo mà bạn đã chọn. Nó cũng cần có đủ các tính năng cần thiết cho ứng dụng của bạn, như:

– Chế độ điều khiển: Vị trí, vận tốc, mô-men xoắn.

– Giao tiếp: Analog, xung/chiều, Modbus, EtherCAT…

– Các tính năng bảo vệ: Quá dòng, quá áp, quá nhiệt…

Bước 5, Nên chọn động cơ servo từ các thương hiệu uy tín, có chất lượng đã được khẳng định trên thị trường. Đồng thời, nên chọn nhà cung cấp có dịch vụ hậu mãi tốt, đảm bảo hỗ trợ kỹ thuật và bảo hành khi cần thiết.

12. Mua động cơ servo ở đâu?

Để đảm bảo chất lượng sản phẩm, giá cả hợp lý và dịch vụ hỗ trợ kỹ thuật chuyên nghiệp, việc lựa chọn một nhà cung cấp uy tín là yếu tố quyết định. Thanh Thiên Phú là đối tác đáng tin cậy, cung cấp các giải pháp động cơ servo và thiết bị tự động hóa công nghiệp chính hãng.

Tại Thanh Thiên Phú, chúng tôi không chỉ cung cấp thiết bị mà còn mang đến giải pháp kỹ thuật toàn diện, từ việc khảo sát, tư vấn lựa chọn sản phẩm phù hợp nhất từ các thương hiệu hàng đầu như Siemens, Mitsubishi, INVT, Schneider, ABB, cho đến hỗ trợ kỹ thuật trong quá trình lắp đặt và tối ưu hóa hệ thống.

Chúng tôi cam kết 100% sản phẩm là hàng chính hãng, có đầy đủ chứng từ và chính sách bảo hành rõ ràng nhằm đảm bảo giảm thiểu thời gian dừng máy cho khách hàng. Để nhận được tư vấn kỹ thuật và lựa chọn giải pháp servo tối ưu cho doanh nghiệp, quý khách có thể liên hệ với Thanh Thiên Phú thông qua các kênh sau:

  • Hotline: 08.12.77.88.99
  • Địa chỉ: 20 đường 29, Khu phố 2, Phường Cát Lái, Thành phố Hồ Chí Minh
  • Website: thanhthienphu.vn
CEO Dương Minh Kiệt

Dương Minh Kiệt

Người sáng lập Thanh Thiên Phú

Với 7 năm kinh nghiệm chuyên sâu về kỹ thuật tự động hóa, tôi đã giải quyết nhiều bài toán điều khiển và giám sát trong môi trường công nghiệp. Trọng tâm công việc của tôi là áp dụng kiến thức về lập trình PLC, cấu hình hệ thống SCADA, và lựa chọn thiết bị phần cứng (cảm biến, biến tần, PLC, HMI) để xây dựng các giải pháp tự động hóa đáp ứng yêu cầu vận hành cụ thể. Tôi có kinh nghiệm thực tế trong việc hiệu chỉnh hệ thống, gỡ lỗi logic điều khiển và đảm bảo các giao thức truyền thông công nghiệp (như Modbus, Profinet, Ethernet/IP) hoạt động thông suốt.