Vui lòng để lại số điện thoại, chúng tôi sẽ gọi lại sau 5 phút
Biến tần ABB
Bạn cần tìm kiếm sản phẩm của mình?
Chọn bộ lọc bên dưới giúp lọc nhanh sản phẩm tìm kiếm
Biến tần ABB là giải pháp điều khiển động cơ không đồng bộ ba pha giúp tối ưu hóa quy trình sản xuất, tiết kiệm năng lượng hiệu quả và nâng cao tuổi thọ thiết bị. Với công nghệ điều khiển tiên tiến, bộ biến đổi tần số ABB mang đến sự ổn định và chính xác cho mọi hệ thống máy móc công nghiệp. Hãy cùng khám phá sức mạnh của thiết bị truyền động điện và bộ điều khiển động cơ tiên tiến này trong bài viết dưới đây.
1. Biến tần ABB là gì?
Biến tần ABB là một thiết bị điện tử công suất có chức năng cốt lõi là điều khiển tốc độ và momen của động cơ điện xoay chiều (AC) bằng cách thay đổi tần số và biên độ của nguồn điện cấp vào động cơ. Về bản chất, thiết bị hoạt động như một bộ nghịch lưu, chuyển đổi nguồn điện có tần số cố định (thường là 50Hz hoặc 60Hz) thành nguồn điện có tần số và điện áp có thể điều chỉnh được.
Đây là sản phẩm của tập đoàn ABB, một công ty đa quốc gia nổi tiếng toàn cầu về các lĩnh vực công nghệ điện và tự động hóa. ABB không chỉ là nhà sản xuất mà còn là một trong những đơn vị tiên phong trong ngành công nghệ tự động hóa.

Các dòng biến tần ABB sở hữu nhiều đặc điểm nổi bật như công nghệ điều khiển momen trực tiếp (DTC) độc quyền, mang lại khả năng đáp ứng momen và tốc độ cực nhanh và chính xác mà không cần đến cảm biến encoder, giúp hệ thống hoạt động tin cậy hơn và giảm chi phí lắp đặt. Về mặt vật lý, độ bền vượt trội của biến tần ABB được khẳng định qua việc các bo mạch điện tử đều được phủ một lớp bảo vệ (conformal coating) theo tiêu chuẩn, giúp chống lại bụi bẩn, độ ẩm và hóa chất ăn mòn, đảm bảo hoạt động ổn định trong những môi trường công nghiệp khắc nghiệt nhất.
Thêm vào đó, triết lý thiết kế “All-compatible” trên các thế hệ mới mang đến một kiến trúc đồng nhất. Điều này có nghĩa là các dòng biến tần khác nhau, từ phổ thông đến công nghiệp, đều chia sẻ chung một giao diện người dùng, bảng điều khiển và công cụ phần mềm. Đặc biệt, Bảng điều khiển trợ giúp (Assistant Control Panel) với ngôn ngữ tiếng Việt và menu hướng dẫn cài đặt từng bước đã giúp đơn giản hóa đáng kể quá trình vận hành và bảo trì.
Cuối cùng, việc tích hợp sẵn nhiều thành phần quan trọng như cuộn kháng xoay để giảm sóng hài, bộ lọc EMC và chức năng an toàn Safe Torque Off (STO) ngay trong một thiết bị duy nhất không chỉ giúp tiết kiệm không gian và chi phí cho tủ điện mà còn giảm thiểu thời gian kỹ thuật cần thiết cho việc lắp đặt hệ thống.

Thay vì để động cơ hoạt động ở tốc độ định mức cố định, gây lãng phí năng lượng và hao mòn cơ khí, biến tần ABB cho phép điều khiển tốc độ động cơ một cách linh hoạt, phù hợp chính xác với yêu cầu của từng loại tải tại mỗi thời điểm.
Hơn nữa, biến tần ABB còn tích hợp nhiều chức năng bảo vệ cao cấp cho động cơ, chẳng hạn như bảo vệ quá dòng, quá áp, thấp áp, quá tải, mất pha và quá nhiệt. Điều này giúp ngăn ngừa các sự cố đáng tiếc, giảm thiểu thời gian dừng máy, bảo vệ vốn đầu tư vào động cơ và đảm bảo an toàn cho người vận hành.
Việc trang bị một thiết bị điều khiển thông minh như vậy không chỉ là một sự nâng cấp, mà là một bước đi chiến lược hướng tới một quy trình sản xuất thông minh, hiệu quả và bền vững.
2. Biến tần ABB của nước nào?
Biến tần ABB là sản phẩm của tập đoàn ABB, một trong những tập đoàn công nghệ đa quốc gia hàng đầu thế giới. Tập đoàn ABB được thành lập vào năm 1988 thông qua một trong những thương vụ sáp nhập xuyên biên giới lớn nhất thời bấy giờ, giữa hai công ty kỹ thuật điện hàng đầu: ASEA của Thụy Điển và Brown, Boveri & Cie (thường được biết đến với tên gọi BBC) của Thụy Sĩ.
Trước khi hợp nhất, cả hai công ty đều đã có một lịch sử lừng lẫy kéo dài hơn một thế kỷ. ASEA, thành lập năm 1883, là một trụ cột trong ngành công nghiệp Thụy Điển, tiên phong trong lĩnh vực sản xuất và truyền tải điện năng, cũng như chế tạo robot công nghiệp.
Trong khi đó, BBC thành lập năm 1891 tại Thụy Sĩ, nổi tiếng thế giới về các sản phẩm máy phát điện, tua-bin và các thiết bị điện công suất lớn. Sự kết hợp giữa tinh thần đổi mới, an toàn và bền bỉ của kỹ thuật Thụy Điển cùng với sự chính xác, độ tin cậy và tỉ mỉ của kỹ thuật Thụy Sĩ đã tạo nên một nền tảng vững chắc cho ABB. Trụ sở chính của tập đoàn được đặt tại Zürich, Thụy Sĩ, phản ánh một phần di sản quan trọng này.

Đối với các kỹ sư và nhà quản lý kỹ thuật, việc hiểu rõ nguồn gốc Thụy Sĩ-Thụy Điển của ABB có ý nghĩa thực tiễn. Nó bảo chứng cho một triết lý thiết kế sản phẩm luôn đặt chất lượng, hiệu suất và độ bền lên hàng đầu. Do đó, khi lựa chọn một biến tần ABB, người dùng đang đầu tư vào một sản phẩm được kế thừa từ di sản kỹ thuật hàng trăm năm, đảm bảo sự vận hành ổn định và hiệu quả lâu dài cho hệ thống sản xuất của mình.
Việc biết rõ nguồn gốc xuất xứ của một sản phẩm công nghiệp như biến tần ABB có ý nghĩa quan trọng đối với các chuyên gia kỹ thuật. Thụy Sĩ và Thụy Điển từ lâu đã nổi tiếng với các tiêu chuẩn sản xuất khắt khe, sự chính xác trong từng chi tiết và chất lượng sản phẩm vượt trội.
Mặc dù ngày nay ABB là một tập đoàn toàn cầu với các nhà máy sản xuất đặt tại nhiều quốc gia, bao gồm các trung tâm sản xuất biến tần lớn và hiện đại ở Phần Lan, Trung Quốc và Hoa Kỳ, thì quy trình quản lý chất lượng, tiêu chuẩn kỹ thuật và hoạt động nghiên cứu phát triển (R&D) cốt lõi vẫn tuân thủ nghiêm ngặt theo các tiêu chuẩn châu Âu khắt khe này. Nhờ đó, các sản phẩm từ thương hiệu ABB đã tạo nên sự tin cậy và an tâm tuyệt đối cho người sử dụng.

Khi lựa chọn sản phẩm từ ABB, các kỹ sư và chủ doanh nghiệp không chỉ mua một thiết bị, mà còn đầu tư vào một di sản của sự bền bỉ, hiệu suất và công nghệ tiên tiến đã được kiểm chứng qua hàng thập kỷ trên toàn cầu. Điều này đảm bảo rằng hệ thống của bạn sẽ hoạt động ổn định, giảm thiểu rủi ro và đạt được hiệu quả tối ưu trong dài hạn.
3. Phân loại biến tần ABB
Để đáp ứng nhu cầu đa dạng của các ngành công nghiệp, ABB đã phát triển nhiều dòng biến tần khác nhau. Việc phân loại chính xác giúp các kỹ sư, kỹ thuật viên và người quản lý dễ dàng lựa chọn được sản phẩm phù hợp nhất với yêu cầu kỹ thuật và ngân sách của mình. Dưới đây là các cách phân loại phổ biến nhất mà Thanh Thiên Phú tổng hợp.
3.1. Phân loại theo điện áp pha
Đây là cách phân loại kỹ thuật cơ bản và quan trọng nhất, vì nó quyết định sự tương thích của biến tần với lưới điện tại nơi lắp đặt. Việc lựa chọn sai điện áp pha không chỉ khiến thiết bị không hoạt động mà còn có thể gây hư hỏng nghiêm trọng. ABB cung cấp hai nhóm sản phẩm chính dựa trên tiêu chí này.
Biến tần ABB 1 pha, hay còn gọi là loại có ngõ vào một pha, là giải pháp kỹ thuật chuyên dụng được thiết kế để giải quyết một bài toán phổ biến: vận hành động cơ 3 pha hiệu suất cao tại những nơi chỉ có sẵn nguồn điện 1 pha. Cụ thể, các biến tần này nhận nguồn điện đầu vào là 1 pha 220V từ lưới điện dân dụng hoặc các xưởng sản xuất nhỏ và thông qua quá trình chỉnh lưu-nghịch lưu bên trong, nó tạo ra nguồn điện 3 pha 220V ở ngõ ra.
Điều này cho phép vận hành các động cơ 3 pha tiêu chuẩn, thường được đấu ở chế độ tam giác, mà không cần phải đầu tư chi phí lớn để kéo lưới điện 3 pha. Đây là lựa chọn lý tưởng cho các ứng dụng như máy bơm nước công suất nhỏ, máy chế biến thực phẩm gia đình, cửa cuốn tự động và các loại máy móc cỡ nhỏ trong các làng nghề. Tuy nhiên, dải công suất của dòng biến tần này thường bị giới hạn ở mức thấp để đảm bảo không gây quá tải cho lưới điện một pha.
Ngược lại, biến tần ABB 3 pha là dòng sản phẩm chủ lực và phổ biến nhất, chiếm đại đa số trong mọi ứng dụng công nghiệp từ nhẹ đến nặng. Chúng được thiết kế để kết nối trực tiếp với lưới điện công nghiệp 3 pha và cung cấp đầu ra 3 pha có thể điều chỉnh tần số để điều khiển động cơ.

ABB cung cấp các tùy chọn cho nhiều mức điện áp lưới khác nhau để phục vụ cho các tiêu chuẩn và nhu cầu cụ thể. Mặc dù mức điện áp 3 pha 220V ít phổ biến hơn tại Việt Nam, nó vẫn được sử dụng trong một số nhà máy cũ hoặc các máy móc nhập khẩu từ các quốc gia như Nhật Bản.
Phổ biến nhất tại Việt Nam và nhiều khu vực trên thế giới là tiêu chuẩn 3 pha 380V/400V, và hầu hết các động cơ và thiết bị công nghiệp đều được thiết kế để hoạt động ở dải điện áp này. Các dòng biến tần 3 pha 380V của ABB có dải công suất cực kỳ rộng, đáp ứng hầu hết mọi nhu cầu sản xuất thông thường.
Đối với các ứng dụng công suất rất lớn trong các ngành công nghiệp nặng như khai khoáng, xi măng, thép, ABB cung cấp dải điện áp cao hơn từ 3 pha 500V đến 690V. Việc sử dụng điện áp cao hơn giúp giảm dòng điện định mức chạy trong hệ thống, cho phép sử dụng tiết diện cáp động lực nhỏ hơn, qua đó giảm chi phí đầu tư và tổn thất điện năng trên đường dây, góp phần tăng hiệu quả chung của toàn hệ thống.
3.2. Phân loại theo dải công suất
Công suất là một trong những yếu tố quan trọng nhất khi lựa chọn biến tần, quyết định khả năng điều khiển động cơ tương ứng. Việc phân loại biến tần ABB theo dải công suất là một cách tiếp cận thực tiễn, giúp các kỹ sư nhanh chóng khoanh vùng được sản phẩm phù hợp với quy mô và yêu cầu của động cơ cần điều khiển.
Mỗi dải công suất không chỉ đơn thuần là sự khác biệt về khả năng chịu tải, mà còn phản ánh một triết lý thiết kế, bộ tính năng và đối tượng ứng dụng khác nhau. ABB đã cấu trúc danh mục sản phẩm của mình thành ba nhóm công suất chính để đáp ứng mọi nhu cầu.
Ở dải công suất thấp, thường từ 0.18 kW đến 22 kW, là các dòng biến tần nhỏ gọn, hay còn gọi là Micro Drives. Các model tiêu biểu trong nhóm này bao gồm ACS55, ACS150, ACS180 và ACS355.
Các sản phẩm này được tối ưu hóa về kích thước và chi phí, cho phép lắp đặt dễ dàng trên thanh DIN rail trong các tủ điện có không gian hạn chế. Chúng thường được tích hợp sẵn các tính năng cơ bản như biến trở điều chỉnh tốc độ, màn hình hiển thị đơn giản và các macro cài đặt sẵn cho các ứng dụng phổ thông. Do đó rất phù hợp cho các ứng dụng máy móc độc lập và đơn giản như băng tải nhỏ, quạt thông gió, máy đóng gói hay các hệ thống bơm công suất nhỏ.

Khi nhu cầu công suất tăng lên, chúng ta bước vào dải công suất trung bình, kéo dài từ 22 kW đến khoảng 500 kW. Đây là các dòng biến tần đa năng (General Purpose Drives) với đại diện tiêu biểu là ACS580 cùng các dòng chuyên dụng khác. Nhóm sản phẩm này có tính linh hoạt cao và được sử dụng rộng rãi trong hầu hết các ngành công nghiệp phổ biến như dệt may, nhựa, chế biến thực phẩm, cũng như trong các hệ thống HVAC hay các trạm bơm cấp nước cho tòa nhà và nhà máy.
Chúng có khả năng xử lý cả tải momen thay đổi (như bơm, quạt) và tải momen không đổi (như máy đùn, máy trộn, băng tải nặng). Ở dải công suất này, các tính năng tích hợp trở nên mạnh mẽ hơn, bao gồm cuộn kháng giảm sóng hài, bộ lọc EMC tiêu chuẩn, các chức năng an toàn, khả năng kết nối với các mạng truyền thông công nghiệp (fieldbus) thông qua module tùy chọn, và các bộ điều khiển PID tiên tiến.

Cuối cùng, đối với các ứng dụng đòi hỏi công suất cực lớn, từ trên 500 kW và có thể lên đến hàng ngàn kW (Megawatt), ABB cung cấp các dòng biến tần công nghiệp hạng nặng (Industrial Drives) như dòng ACS880, ACS1000 và ACS2000.
Những thiết bị này thường là các hệ thống truyền động phức tạp, được thiết kế dưới dạng module để có thể tùy chỉnh và mở rộng. Chúng được chế tạo với độ bền cơ học và khả năng chịu đựng môi trường khắc nghiệt ở mức cao nhất, với các tùy chọn như làm mát bằng chất lỏng để hoạt động trong không gian hẹp hoặc môi trường nóng. Hiệu suất và độ tin cậy là yếu tố quyết định, vì vậy chúng được trang bị những công nghệ điều khiển tiên tiến nhất như điều khiển momen Trực tiếp (DTC) để đảm bảo độ chính xác tuyệt đối.
Các biến tần này thường được tích hợp vào các hệ thống truyền động lớn có chung một bus DC, cho phép tái tạo và chia sẻ năng lượng giữa các động cơ, mang lại hiệu quả tiết kiệm năng lượng khổng lồ. Đây là giải pháp không thể thiếu cho các ứng dụng yêu cầu khắt khe và tải cực nặng trong các ngành công nghiệp chiến lược như máy cán thép, máy giấy, cẩu trục cảng biển, hệ thống tời trong hầm mỏ, máy nghiền trong nhà máy xi măng, hoặc các hệ thống quạt và bơm khổng lồ trong các nhà máy điện và trạm bơm cấp nước quy mô thành phố.
Việc lựa chọn và triển khai các hệ thống này đòi hỏi trình độ chuyên môn kỹ thuật cao và thường là kết quả của một quá trình tư vấn và thiết kế chi tiết giữa nhà cung cấp và người dùng cuối.
3.3. Phân loại theo tính năng chuyên dụng
Bên cạnh việc phân loại theo các tiêu chí chung, ABB đã phát triển các dải sản phẩm được tối ưu hóa cho những nhóm ứng dụng cụ thể, tích hợp sẵn các phần mềm và tính năng chuyên biệt nhằm mang lại hiệu quả cao nhất.
Dòng biến tần đa năng (General Purpose Drives), với đại diện tiêu biểu là ACS580, được thiết kế với triết lý “tất cả trong một” để đơn giản hóa mọi quy trình. Chúng phù hợp với hầu hết các loại tải từ bơm, quạt đến băng tải, máy trộn. Sự đa năng này đến từ việc tích hợp sẵn cuộn kháng giảm sóng hài, bộ lọc EMC và chức năng an toàn STO, giúp người dùng không cần lựa chọn nhiều phụ kiện bên ngoài. Giao diện điều khiển trực quan hỗ trợ tiếng Việt cùng các macro cài đặt sẵn giúp nó trở thành lựa chọn linh hoạt và hiệu quả cho phần lớn các ứng dụng công nghiệp thông thường.

Đối với các ứng dụng sưởi ấm, thông gió và điều hòa không khí, dòng biến tần cho HVAC (HVAC Drives) như ACH550 là một giải pháp chuyên biệt đã được chứng minh về độ tin cậy. Dòng sản phẩm này nổi bật với bảng điều khiển được thiết kế riêng cho các kỹ thuật viên HVAC, sử dụng các thuật ngữ quen thuộc như “Hand/Off/Auto”. Nó tích hợp sẵn các giao thức truyền thông cốt lõi của ngành như BACnet, N2 và Modbus, cho phép kết nối trực tiếp và liền mạch với hệ thống quản lý tòa nhà (BMS) mà không cần thêm các bộ chuyển đổi đắt tiền.

Trong khi đó, dòng biến tần cho ngành nước (Water and Wastewater Drives), cụ thể là ACQ580, được tối ưu hóa cho các trạm bơm và nhà máy xử lý nước. Nó được trang bị các chức năng thông minh như làm sạch bơm (tự động đảo chiều để chống tắc nghẽn), tính toán lưu lượng mà không cần cảm biến, và bảo vệ chống chạy khô để bảo vệ máy bơm. Các thuật toán điều khiển được thiết kế để tối ưu hóa năng lượng tiêu thụ trong các chu trình bơm hoạt động 24/7, giúp giảm đáng kể chi phí vận hành cho ngành nước.

Cuối cùng, dòng biến tần công nghiệp (Industrial Drives) như ACS880 là dòng biến tần cao cấp nhất, mang lại khả năng tùy chỉnh linh hoạt và hiệu suất điều khiển tối ưu cho những ứng dụng khắt khe nhất. Nền tảng của nó là công nghệ Điều khiển momen Trực tiếp (DTC) cho phép đáp ứng tốc độ và momen gần như tức thời.
Đặc biệt, với chương trình điều khiển thang máy chuyên dụng (Lift Control Program), ACS880 trở thành lựa chọn hàng đầu cho ứng dụng thang máy.

⇨ Tìm hiểu thêm về các loại biến tần cho thang máy
Các đặc điểm như khả năng tạo đường cong tăng/giảm tốc mượt mà, độ chính xác dừng tầng tuyệt đối, tích hợp logic điều khiển phanh cơ khí an toàn và chế độ cứu hộ khẩn cấp bằng nguồn dự phòng đã giúp nó đáp ứng hoàn hảo các yêu cầu cao nhất về sự tiện nghi và an toàn trong ngành này.
Việc hiểu rõ các phân loại này sẽ giúp bạn đưa ra lựa chọn sáng suốt. Đội ngũ kỹ sư tại Thanh Thiên Phú luôn sẵn sàng tư vấn sâu hơn để bạn chọn đúng sản phẩm, tối ưu hóa hiệu suất và chi phí.
4. Các dòng biến tần ABB phổ biến

Thị trường biến tần ABB vô cùng đa dạng với nhiều dòng sản phẩm, từ những dòng cơ bản cho các ứng dụng đơn giản đến những hệ thống truyền động công nghiệp phức tạp, hiệu suất cao. Mỗi dòng sản phẩm được phát triển để giải quyết những bài toán kỹ thuật cụ thể, mang lại lợi ích riêng về chi phí, hiệu suất và tính năng.
Việc am hiểu về từng dòng sẽ giúp các kỹ sư và chủ doanh nghiệp đưa ra quyết định đầu tư chính xác, tối ưu hóa dây chuyền sản xuất. Dưới đây, Thanh Thiên Phú sẽ phân tích chi tiết về các dòng biến tần ABB thông dụng nhất để bạn có thể dễ dàng tham khảo.
4.1. Biến tần ABB ACS150
Dòng ACS150 thuộc phân khúc biến tần vi mô (Micro Drive) và được xem là một trong những sản phẩm nền tảng, đưa khả năng điều khiển tốc độ động cơ đến với các ứng dụng nhỏ lẻ một cách đơn giản nhất.
Mục tiêu thiết kế của ACS150 là sự tiện lợi và tốc độ triển khai, hướng đến các nhà chế tạo máy quy mô nhỏ hoặc người dùng cuối không yêu cầu tính năng điều khiển phức tạp. Mặc dù đã được thay thế bởi các dòng hiện đại hơn như ACS180, ACS150 vẫn còn hiện diện trong rất nhiều hệ thống nhờ độ bền đã được chứng thực và giao diện vận hành cực kỳ trực quan.

Điểm nổi bật của ACS150 là việc tích hợp sẵn bảng điều khiển và biến trở chiết áp ngay trên mặt biến tần. Điều này cho phép người dùng có thể cài đặt các thông số cơ bản và điều chỉnh tốc độ một cách nhanh chóng mà không cần thêm bất kỳ phụ kiện nào. Hơn nữa, việc tích hợp sẵn bộ hãm phanh (braking chopper) và bộ lọc EMC cấp cơ bản trong một thân máy nhỏ gọn giúp tiết kiệm đáng kể không gian trong tủ điện và giảm chi phí vật tư phụ.
| Hạng mục | Thông số kỹ thuật chi tiết |
| Dòng biến tần | ACS150 |
| Dải công suất | 0.37 – 4 kW (3 pha 380-480V); 0.37 – 2.2 kW (1 pha 200-240V) |
| Điện áp cung cấp | 1 pha 200-240V; 3 pha 200-240V; 3 pha 380-480V |
| Phương pháp điều khiển | Điều khiển vô hướng (Scalar Control) |
| Tần số ra | 0 – 500 Hz |
| Khả năng quá tải | 150% trong 60 giây |
| Ngõ vào/ra tích hợp | 5 DI, 1 AI, 1 RO |
| Cấp bảo vệ | IP20 |
| Tính năng tích hợp | Biến trở xoay, bảng điều khiển, bộ lọc EMC, bộ hãm phanh |
Ứng dụng chính của ACS150 là các máy móc độc lập, không yêu cầu độ chính xác cao về momen, chẳng hạn như các băng tải vận chuyển hàng hóa nhẹ, cổng tự động, quạt thông gió cho các xưởng nhỏ, bơm ly tâm và các máy chế biến thực phẩm cỡ nhỏ.
4.2. Biến tần ABB ACS310
ACS310 là một dòng biến tần được ABB phát triển chuyên biệt để tối ưu hóa cho các ứng dụng tải có momen thay đổi, mà điển hình nhất là bơm và quạt. Thay vì là một biến tần đa năng, ACS310 tập trung vào việc tích hợp các tính năng phần mềm thông minh để quản lý năng lượng và điều khiển các quy trình liên quan đến áp suất và lưu lượng một cách hiệu quả nhất.
Sự khác biệt cốt lõi của ACS310 nằm ở bộ tính năng chuyên dụng được tích hợp sẵn. Nổi bật nhất là chức năng Điều khiển Bơm và Quạt (PFC – Pump and Fan Control), cho phép một biến tần có thể điều khiển luân phiên một nhóm lên đến hai động cơ, giúp cân bằng thời gian hoạt động và độ hao mòn giữa các máy bơm, một yêu cầu quan trọng trong các hệ thống cấp nước.

Ngoài ra, các tính năng thông minh khác như chức năng làm sạch đường ống (Pipe cleaning) để loại bỏ tắc nghẽn, và chế độ Ngủ/Thức (Sleep/Wake-up) để tự động dừng biến tần khi nhu cầu hệ thống thấp và khởi động lại khi cần, đều góp phần tối ưu hóa việc sử dụng năng lượng và giảm thiểu sự can thiệp của con người.
| Hạng mục | Thông số kỹ thuật chi tiết |
| Dòng biến tần | ACS310 |
| Dải công suất | 0.37 – 11 kW (3 pha 200-240V); 0.37 – 22 kW (3 pha 380-480V) |
| Điện áp cung cấp | 3 pha 200-240V; 3 pha 380-480V |
| Phương pháp điều khiển | Vô hướng, tích hợp bộ điều khiển PID |
| Tần số ra | 0 – 500 Hz |
| Tính năng chuyên dụng | Điều khiển đa bơm (PFC), chức năng làm sạch đường ống, bảo vệ chống chạy khô |
| Ngõ vào/ra tích hợp | 6 DI, 2 AI, 3 RO |
| Truyền thông tích hợp | Modbus RTU |
| Cấp bảo vệ | IP20 |
Với bộ tính năng tập trung này, ACS310 là lựa chọn lý tưởng cho các hệ thống bơm tăng áp trong các tòa nhà, bơm chìm trong các giếng khoan, hệ thống bơm tưới tiêu nông nghiệp, và các hệ thống quạt thông gió trong các trung tâm thương mại hay nhà máy xử lý nước.
4.3. Biến tần ABB ACS355
Dòng ACS355 được định vị là biến tần chuyên dụng dành cho các nhà chế tạo máy (OEM), nơi các yêu cầu về tốc độ lắp đặt, sự nhỏ gọn của tủ điện và hiệu suất điều khiển động cho các ứng dụng lặp đi lặp lại là yếu tố hàng đầu.
ACS355 đáp ứng xuất sắc các yêu cầu này nhờ thiết kế vật lý thông minh cho phép lắp đặt sát nhau mà không ảnh hưởng đến khả năng tản nhiệt, cùng với hiệu suất điều khiển vector vòng hở mang lại khả năng kiểm soát momen chính xác.

Một trong những tính năng phần mềm mạnh mẽ và khác biệt nhất của ACS355 là khả năng Lập trình trình tự (Sequence Programming). Tính năng này cho phép người dùng tạo ra một chuỗi các bước logic điều khiển đơn giản ngay trên biến tần, ví dụ như chạy thuận 10 giây, dừng 5 giây, rồi chạy nghịch 10 giây.
Điều này trong nhiều trường hợp có thể loại bỏ hoàn toàn sự cần thiết của một bộ điều khiển logic khả trình (PLC) bên ngoài giúp giảm đáng kể chi phí, độ phức tạp của hệ thống và thời gian lập trình.
Thêm vào đó, việc tích hợp sẵn chức năng an toàn Safe Torque Off (STO) theo tiêu chuẩn SIL3/PL e là một điểm cộng lớn, đáp ứng các yêu cầu an toàn máy móc ngày càng khắt khe của châu Âu.
| Hạng mục | Thông số kỹ thuật chi tiết |
| Dòng biến tần | ACS355 |
| Dải công suất | 0.37 – 22 kW |
| Điện áp cung cấp | 1 & 3 pha 200-240V; 3 pha 380-480V |
| Phương pháp điều khiển | Vô hướng và Vector vòng hở |
| Tần số ra | 0 – 600 Hz |
| Khả năng quá tải | 150% trong 60s (tải thường), 180% trong 2s (tải nặng) |
| Tính năng nổi bật | Lập trình trình tự, tích hợp sẵn STO |
| Tùy chọn cấp bảo vệ | IP20 (tiêu chuẩn), IP66/67 (tùy chọn) |
| Ngõ vào/ra | 5 DI, 2 AI, 1 RO, 1 TO, 1 AO |
ACS355 là công cụ hoàn hảo cho các ứng dụng xử lý vật liệu tốc độ cao, máy đóng gói, máy dán nhãn, máy dệt, cửa cuốn công nghiệp và các hệ thống băng tải đòi hỏi sự thay đổi tốc độ và định vị nhanh chóng, chính xác.
4.4. Biến tần ABB ACS380
ACS380 là dòng biến tần máy móc (Machinery Drive) thế hệ mới, được xem là sự kế thừa và nâng cấp toàn diện cho triết lý của ACS355. Nó không chỉ duy trì sự nhỏ gọn và hiệu suất mà còn mang lại khả năng kết nối vượt trội và khả năng điều khiển các loại động cơ hiệu suất cao.
ACS380 được thiết kế để dễ dàng tích hợp vào các hệ thống tự động hóa phức tạp thông qua việc hỗ trợ nhiều giao thức truyền thông công nghiệp (fieldbus) qua các module cắm thêm. Điều này cho phép biến tần giao tiếp liền mạch với các PLC của nhiều hãng khác nhau, trở thành một phần không thể thiếu trong kiến trúc điều khiển tập trung.

Một cải tiến quan trọng khác là khả năng điều khiển động cơ nam châm vĩnh cửu (PM motor) bên cạnh các động cơ không đồng bộ truyền thống. Điều này giúp các nhà chế tạo máy có thể thiết kế các cỗ máy tiết kiệm năng lượng hơn, đáp ứng các tiêu chuẩn hiệu suất IE4 và IE5. Giao diện người dùng cũng được cải tiến với màn hình điều khiển có các biểu tượng đồ họa, giúp quá trình cài đặt và chẩn đoán lỗi trở nên trực quan và nhanh chóng hơn.
| Hạng mục | Thông số kỹ thuật chi tiết |
| Dòng biến tần | ACS380 |
| Dải công suất | 0.25 – 22 kW |
| Điện áp cung cấp | 1 & 3 pha 230V; 3 pha 400V |
| Phương pháp điều khiển | Vô hướng và Vector, hỗ trợ động cơ PM |
| Tính năng nổi bật | Kết nối fieldbus linh hoạt, giao diện người dùng đồ họa, hiệu suất năng lượng cao |
| An toàn tích hợp | Safe Torque Off (STO) |
| Cấp bảo vệ | IP20 |
| Phần mềm hỗ trợ | Drive Composer PC Tool |
ACS380 là sự lựa chọn tuyệt vời cho các máy trộn, băng tải, máy đùn, cần trục nhỏ và các ứng dụng máy móc nói chung đòi hỏi sự tin cậy và hiệu suất cao.
4.5. Biến tần ABB ACS550 & ACS510
ACS550 và ACS510 là hai dòng biến tần đa dụng thuộc thế hệ trước, đã từng là những sản phẩm cực kỳ thành công và phổ biến, đặt nền móng cho dòng ACS580 hiện đại. ACS550 được định vị là dòng biến tần tiêu chuẩn đa năng, trong khi ACS510 tập trung sâu hơn vào các ứng dụng bơm và quạt.

Cả hai đều nổi tiếng về sự bền bỉ và giao diện người dùng thân thiện với bảng điều khiển trợ giúp (Assistant Control Panel). Bảng điều khiển này hướng dẫn người dùng qua từng bước cài đặt bằng các câu hỏi rõ ràng, giúp việc thiết lập trở nên cực kỳ đơn giản ngay cả với người không có nhiều kinh nghiệm.
Chúng cũng là những dòng biến tần đầu tiên của ABB tích hợp sẵn cuộn kháng xoay (swinging choke) để giảm sóng hài và bộ lọc RFI, thể hiện cam kết của ABB về chất lượng điện năng và tương thích điện từ.
| Hạng mục | Thông số kỹ thuật chi tiết |
| Dòng biến tần | ACS550 / ACS510 |
| Dải công suất | 0.75 – 355 kW (ACS550); 0.75 – 160 kW (ACS510) |
| Điện áp cung cấp | 3 pha 208-240V; 3 pha 380-480V; 3 pha 500-600V |
| Phương pháp điều khiển | Vô hướng (Scalar Control), ACS550 có thêm chế độ Vector |
| Bảng điều khiển | Bảng điều khiển trợ giúp (Assistant Control Panel) trực quan |
| Tính năng tích hợp | Cuộn kháng, bộ lọc RFI, nhiều macro ứng dụng |
| Ngõ vào/ra | 6 DI, 2 AI, 3 RO |
| Truyền thông | Modbus RTU tích hợp, hỗ trợ fieldbus qua module ngoài |
Dù đã có dòng mới thay thế, ACS550 và ACS510 vẫn là lựa chọn kinh tế cho các ứng dụng không yêu cầu công nghệ mới nhất như bơm, quạt, băng tải và máy trộn trong nhiều ngành công nghiệp.
4.6. Biến tần ABB ACS580
ACS580 là dòng biến tần đa năng thế hệ mới nhất, được ABB phát triển với triết lý “tất cả trong một” (All-compatible). Triết lý này nhằm giải quyết một vấn đề lớn trong công nghiệp: sự phức tạp trong việc lựa chọn, lắp đặt và vận hành.
ACS580 được thiết kế để trở thành một giải pháp chuẩn hóa, dễ sử dụng cho khoảng 80% các ứng dụng biến tần phổ thông. Để làm được điều này, nó được tích hợp sẵn gần như mọi thứ cần thiết trong một thiết bị duy nhất: cuộn kháng giảm sóng hài, bộ lọc EMC C2, chức năng an toàn STO, và bộ hãm phanh (cho các dải công suất nhỏ). Điều này giúp đơn giản hóa đáng kể quá trình lựa chọn và đặt hàng, đồng thời giảm không gian và chi phí lắp đặt tủ điện.

Điểm cải tiến lớn nhất và được đánh giá cao nhất là bảng điều khiển mới với màn hình độ phân giải cao, hỗ trợ đa ngôn ngữ bao gồm cả tiếng Việt. Menu cài đặt được cấu trúc lại hoàn toàn theo nhóm chức năng, giúp người dùng dễ dàng truy cập và cấu hình các thông số một cách logic.
Thêm vào đó, tính năng tối ưu hóa năng lượng cho phép biến tần theo dõi và hiển thị lượng năng lượng tiết kiệm được theo kWh và chi phí thực tế, cung cấp một công cụ mạnh mẽ để doanh nghiệp chứng minh hiệu quả đầu tư.
| Hạng mục | Thông số kỹ thuật chi tiết |
| Dòng biến tần | ACS580 |
| Dải công suất | 0.75 – 500 kW |
| Điện áp cung cấp | 3 pha 208-240V; 3 pha 380-480V; 3 pha 500-690V |
| Phương pháp điều khiển | Điều khiển vô hướng và Vector |
| Khả năng quá tải | 110% trong 60s (tải nhẹ), 150% trong 60s (tải nặng) |
| Tính năng tích hợp | Cuộn kháng, bộ lọc EMC C2, STO, Modbus RTU |
| Hỗ trợ động cơ | Động cơ không đồng bộ, động cơ nam châm vĩnh cửu, động cơ SynRM |
| Cấp bảo vệ | IP21 (tiêu chuẩn), IP55 (tùy chọn) |
Nhờ sự linh hoạt và dễ sử dụng, ACS580 có thể đảm nhiệm hầu hết mọi ứng dụng công nghiệp, từ các ứng dụng tải nhẹ như bơm, quạt trong các hệ thống HVAC và xử lý nước, cho đến các ứng dụng tải nặng hơn như băng tải, máy đùn, máy trộn.
4.7. Biến tần ABB ACS800
ACS800 là dòng biến tần công nghiệp hiệu suất cao thế hệ trước, là nền tảng cho sự ra đời của dòng ACS880 sau này. Đây là một trong những dòng biến tần thương mại đầu tiên trên thế giới tích hợp công nghệ điều khiển momen trực tiếp (DTC) của ABB, mang lại khả năng điều khiển động cơ với độ chính xác và đáp ứng động vượt trội.

Kiến trúc của ACS800 rất linh hoạt, có sẵn dưới dạng các module biến tần đơn, hệ thống đa truyền động (multidrive) và các giải pháp chuyên dụng như biến tần làm mát bằng chất lỏng hoặc biến tần tái sinh năng lượng. ACS800 được xây dựng để chịu được những điều kiện vận hành khắc nghiệt nhất trong các ngành công nghiệp nặng, với khả năng tùy chỉnh cao thông qua việc lập trình linh hoạt.
| Hạng mục | Thông số kỹ thuật chi tiết |
| Dòng biến tần | ACS800 |
| Dải công suất | 0.55 – 5600 kW |
| Điện áp cung cấp | 230 – 690V |
| Phương pháp điều khiển | Điều khiển momen Trực tiếp (DTC) |
| Cấu hình | Biến tần đơn, hệ thống multidrive, tủ biến tần |
| Khả năng lập trình | Linh hoạt, có thể tùy chỉnh cao |
| Ứng dụng mục tiêu | Công nghiệp nặng, các ứng dụng đòi hỏi hiệu suất cao |
ACS800 là lựa chọn đã được chứng minh về độ tin cậy cho các ứng dụng như máy cán thép, máy giấy, cẩu trục, tời mỏ, máy nghiền xi măng và các dây chuyền thử nghiệm.
4.8. Biến tần ABB ACS880
ACS880 là dòng biến tần công nghiệp hàng đầu hiện nay của ABB, được xây dựng trên một kiến trúc chung để mang lại khả năng tương thích và linh hoạt tối đa. Nó được thiết kế để điều khiển bất kỳ loại động cơ AC nào và đáp ứng được những yêu cầu khắt khe nhất của mọi ngành công nghiệp.

Công nghệ DTC thế hệ mới nhất được trang bị trên ACS880 cung cấp hiệu suất điều khiển tốc độ và momen ở mức cao nhất, ngay cả khi không có cảm biến phản hồi (encoder). Kiến trúc module của ACS880 cho phép nó được cấu hình dưới nhiều dạng: từ biến tần đơn gắn tường, các module biến tần để lắp tủ, cho đến các hệ thống multidrive phức tạp với chung một bộ chỉnh lưu và bus DC, giúp tiết kiệm năng lượng và không gian.
Ngoài ra, ACS880 còn tích hợp sẵn một loạt các chức năng an toàn tiên tiến và có khả năng lập trình mở rộng để tạo ra các giải pháp điều khiển riêng biệt.
| Hạng mục | Thông số kỹ thuật chi tiết |
| Dòng biến tần | ACS880 |
| Dải công suất | 0.55 – 6000 kW (và cao hơn với các dự án đặc biệt) |
| Điện áp cung cấp | 230 – 690V |
| Phương pháp điều khiển | Điều khiển momen Trực tiếp (DTC) thế hệ mới |
| Hỗ trợ động cơ | Động cơ không đồng bộ, nam châm vĩnh cửu, Servo Reluctance (SynRM) |
| Kiến trúc | Module linh hoạt, biến tần đơn, multidrive, regenerative |
| An toàn tích hợp | STO là tiêu chuẩn, nhiều chức năng an toàn khác là tùy chọn (SS1, SLS, SBC…) |
| Khả năng kết nối | Hỗ trợ tất cả các giao thức fieldbus phổ biến |
ACS880 là trái tim của các ngành công nghiệp nặng và các ứng dụng đòi hỏi độ chính xác tuyệt đối như cẩu trục cảng biển, máy cuộn/xả cuộn, máy in, máy ly tâm, máy đùn, hệ thống tời và các bàn thử nghiệm động cơ.
Việc lựa chọn đúng dòng biến tần ABB là chìa khóa để khai phóng tiềm năng của hệ thống sản xuất. Mỗi dòng sản phẩm đều là một công cụ mạnh mẽ, nhưng sức mạnh đó chỉ được phát huy tối đa khi được đặt đúng chỗ.
5. Nguyên lý hoạt động của biến tần ABB
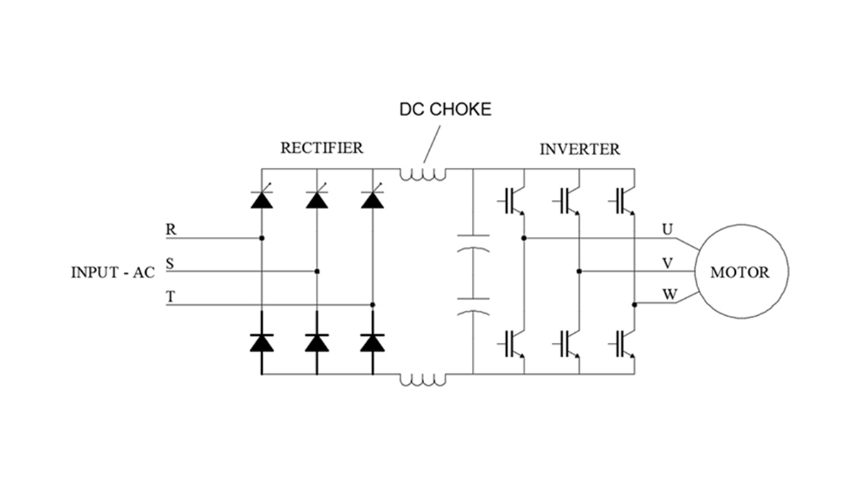
Nguyên lý hoạt động của một biến tần ABB, cũng như các bộ biến đổi tần số hiện đại khác, dựa trên một chuỗi các quá trình chuyển đổi năng lượng điện được kiểm soát chặt chẽ bởi vi xử lý.
Về mặt kỹ thuật, biến tần là một thiết bị điện tử công suất thực hiện chức năng chuyển đổi nguồn điện xoay chiều (AC) có tần số và biên độ cố định thành nguồn điện AC có tần số và biên độ có thể điều chỉnh được để điều khiển tốc độ và momen của động cơ điện. Quá trình này được thực hiện thông qua ba khối chức năng chính: khối chỉnh lưu, khối liên kết một chiều (DC link), và khối nghịch lưu.

Giai đoạn đầu tiên của quá trình là Khối chỉnh lưu (Rectifier). Khối này nhận nguồn điện xoay chiều đầu vào, có thể là 1 pha hoặc 3 pha, từ lưới điện cung cấp. Cấu trúc phổ biến nhất cho khối này là một cầu chỉnh lưu toàn sóng không điều khiển, sử dụng sáu diode công suất cho ngõ vào 3 pha.
Chức năng của các diode này là thực hiện quá trình chỉnh lưu, biến đổi dạng sóng sin của điện áp xoay chiều thành một điện áp một chiều (DC) có dạng xung nhấp nhô. Giá trị điện áp DC đỉnh sau khi chỉnh lưu sẽ xấp xỉ bằng giá trị điện áp xoay chiều hiệu dụng (RMS) của đường dây nhân với căn bậc hai của 2. Ví dụ, với lưới điện 3 pha 380V AC, điện áp DC bus sẽ dao động quanh mức 540V DC.
Tiếp theo, điện áp DC có độ gợn sóng lớn từ khối chỉnh lưu sẽ được đưa vào Khối liên kết một chiều (DC Link). Khối này có nhiệm vụ lọc và ổn định điện áp DC, tạo ra một nguồn điện DC phẳng và có dung lượng dự trữ năng lượng tạm thời. Thành phần chính của DC Link là một giàn tụ điện có điện dung lớn. Các tụ điện này thực hiện chức năng lọc bằng cách nạp năng lượng trong các chu kỳ điện áp tăng và xả năng lượng trong các chu kỳ điện áp giảm, qua đó làm giảm đáng kể độ gợn (ripple) của điện áp DC.
Ngoài ra, nhiều biến tần còn tích hợp một cuộn kháng DC (DC choke) nối tiếp trong DC Link. Cuộn kháng này có chức năng hạn chế dòng điện nạp đỉnh vào tụ khi khởi động (inrush current) và làm giảm lượng sóng hài dòng điện mà biến tần gây ra trên lưới điện đầu vào, góp phần cải thiện hệ số công suất và tương thích điện từ (EMC).

Giai đoạn cuối cùng là Khối nghịch lưu (Inverter). Đây là khối chức năng thực hiện việc chuyển đổi điện áp DC ổn định từ DC Link thành điện áp xoay chiều 3 pha có tần số và biên độ thay đổi được để cấp cho động cơ. Khối này được cấu thành từ sáu linh kiện bán dẫn công suất có điều khiển, phổ biến nhất hiện nay là Transistor lưỡng cực có cổng cách ly (IGBT). Sáu IGBT này được sắp xếp thành một mạch cầu 3 nhánh.
Toàn bộ hoạt động đóng/ngắt của các IGBT được điều khiển bởi một bộ vi xử lý trung tâm thông qua thuật toán Điều chế độ rộng xung (PWM – Pulse Width Modulation). Bằng cách đóng/ngắt các IGBT ở tần số rất cao (tần số sóng mang, thường từ vài kHz đến hàng chục kHz), bộ vi xử lý có thể tạo ra một chuỗi xung điện áp có độ rộng thay đổi. Bằng cách điều chỉnh độ rộng của các xung này (duty cycle), biên độ hiệu dụng của điện áp đầu ra được kiểm soát.
Bằng cách thay đổi tần suất lặp lại của chuỗi xung PWM, tần số cơ bản của điện áp đầu ra được điều chỉnh. Dạng sóng điện áp trực tiếp tại ngõ ra biến tần là một chuỗi các xung vuông, nhưng do đặc tính điện cảm của các cuộn dây stator trong động cơ, dòng điện chạy qua động cơ sẽ được lọc và có dạng gần như hình sin.

Dòng điện gần sin này sẽ tạo ra một từ trường quay trong động cơ, từ đó sinh ra momen và làm quay rotor với tốc độ tương ứng với tần số đầu ra của biến tần. Toàn bộ quá trình này được giám sát và điều chỉnh liên tục bởi các thuật toán điều khiển phức tạp (như V/f, Vector Control, DTC) để đảm bảo động cơ hoạt động chính xác và hiệu quả theo các tín hiệu lệnh từ người dùng hoặc hệ thống điều khiển cấp cao hơn.
6. Hướng dẫn lắp đặt biến tần ABB
Lắp đặt biến tần đúng cách là yếu tố quyết định để đảm bảo thiết bị hoạt động ổn định, an toàn và bền bỉ. Một sai sót nhỏ trong quá trình lắp đặt cũng có thể dẫn đến hư hỏng thiết bị, ảnh hưởng đến cả hệ thống sản xuất. Quy trình lắp đặt cần tuân thủ nghiêm ngặt các bước từ chuẩn bị, lắp đặt cơ khí, đấu dây cho đến cài đặt thông số.
6.1. Sơ đồ đấu dây biến tần ABB
Quá trình đấu dây là nơi các kết nối vật lý được thực hiện để biến tần có thể nhận nguồn, điều khiển động cơ và giao tiếp với các thiết bị khác. Trước khi bắt đầu, công tác chuẩn bị phải được thực hiện một cách kỹ lưỡng. Điều quan trọng nhất là phải đảm bảo an toàn tuyệt đối bằng cách ngắt hoàn toàn nguồn điện cấp cho tủ điện và sử dụng các quy trình khóa an toàn (Lockout/Tagout).
Luôn luôn tham khảo tài liệu kỹ thuật (Hardware Manual) đi kèm với đúng model biến tần bạn đang sử dụng, vì đây là nguồn thông tin chính xác nhất. Cần kiểm tra kỹ thiết bị khi mở hộp để đảm bảo không có hư hỏng vật lý và các thông số trên nhãn (điện áp, công suất) khớp với yêu cầu. Việc chuẩn bị đầy đủ dụng cụ cách điện, dây động lực có tiết diện phù hợp, dây điều khiển có vỏ bọc chống nhiễu và các đầu cosse chất lượng tốt là điều kiện tiên quyết.
Một khi đã chuẩn bị xong, việc lựa chọn vị trí và lắp đặt cơ khí cần được chú trọng. Biến tần phải luôn được lắp đặt theo phương thẳng đứng bên trong một tủ điện sạch sẽ, khô ráo và thông thoáng. Việc lắp đặt theo phương thẳng đứng là yêu cầu bắt buộc của nhà sản xuất để tối ưu hóa quá trình tản nhiệt theo nguyên lý đối lưu tự nhiên, nơi không khí mát đi vào từ bên dưới và khí nóng thoát ra ở phía trên. Cần đảm bảo có đủ không gian trống xung quanh biến tần theo khuyến nghị để luồng không khí làm mát không bị cản trở.

Khi tiến hành đấu dây, một nguyên tắc vàng là phải tách biệt hoàn toàn giữa đường đi của cáp động lực và cáp điều khiển. Việc đi chung chúng trong cùng một ống ghen hoặc máng cáp sẽ gây ra hiện tượng nhiễu điện từ (EMI), có thể làm sai lệch các tín hiệu điều khiển analog nhạy cảm và gây ra hoạt động không ổn định.
Phần đấu nối mạch động lực là nơi xử lý các dòng điện lớn. Nguồn điện lưới ba pha (R, S, T hoặc L1, L2, L3) phải được kết nối qua một thiết bị bảo vệ như aptomat (MCCB / MCB) trước khi vào các cọc ngõ vào tương ứng của biến tần. Ngõ ra của biến tần (U, V, W hoặc T1, T2, T3) được kết nối trực tiếp đến hộp đấu dây của động cơ.

Một lưu ý kỹ thuật cực kỳ quan trọng là tuyệt đối không được lắp đặt contactor, bộ khởi động sao-tam giác hay bất kỳ thiết bị đóng cắt nào giữa biến tần và động cơ. Việc đóng cắt đột ngột ở ngõ ra khi biến tần đang hoạt động có thể gây ra các xung điện áp ngược, dẫn đến hư hỏng các linh kiện công suất IGBT đắt tiền bên trong.
Việc nối đất (PE) là yêu cầu an toàn bắt buộc; vỏ biến tần, vỏ động cơ và vỏ tủ điện phải được kết nối với một hệ thống tiếp địa chung, tin cậy. Nếu ứng dụng có tải quán tính lớn hoặc yêu cầu dừng nhanh, điện trở hãm ngoài sẽ được kết nối vào các cọc R+ và R- theo sơ đồ.
Đối với mạch điều khiển, việc sử dụng cáp có vỏ bọc chống nhiễu và xoắn cặp là yêu cầu bắt buộc để đảm bảo tín hiệu không bị ảnh hưởng bởi nhiễu từ các thiết bị xung quanh. Vỏ chống nhiễu của cáp chỉ nên được nối đất tại một đầu, thường là phía biến tần, để tránh tạo ra các vòng lặp dòng điện (ground loop).

Các kết nối điều khiển rất đa dạng tùy theo ứng dụng, ví dụ như một công tắc chạy/dừng có thể được nối giữa cọc cấp nguồn +24V và một ngõ vào số (DI). Tín hiệu điều khiển tốc độ có thể đến từ một biến trở ngoài (nối với các cọc +10V, AI, GND) hoặc một tín hiệu dòng 4-20mA hay áp 0-10V từ PLC. Các ngõ ra rơ-le (RO) có thể được sử dụng để đóng cắt các cuộn dây của đèn báo trạng thái chạy, dừng, lỗi hoặc các contactor phụ trong mạch điều khiển lớn hơn.
6.2. Hướng dẫn cài đặt biến tần ABB
Sau khi đã hoàn tất và kiểm tra kỹ lưỡng toàn bộ hệ thống đấu dây, quá trình cài đặt phần mềm, hay còn gọi là commissioning, sẽ quyết định cách thức biến tần điều khiển động cơ. Khi cấp nguồn lần đầu tiên, các dòng biến tần hiện đại như ACS580 sẽ tự động khởi chạy một trình hướng dẫn cài đặt (First Start-up Assistant) rất thân thiện, cho phép người dùng chọn ngôn ngữ (có cả tiếng Việt) và dẫn dắt qua các bước thiết lập cơ bản nhất.
Bước quan trọng tuyệt đối và không thể bỏ qua là việc nhập chính xác dữ liệu của động cơ. Các thông số này được ghi rõ trên nhãn (nameplate) của động cơ và phải được nhập vào các tham số tương ứng trong nhóm 99 của biến tần.
Tùy từng dòng cụ thể, các thông số cốt lõi bao gồm điện áp định mức (9905), dòng điện định mức (9906), tần số định mức (9907), tốc độ định mức (9908), và công suất định mức (9909). Việc nhập chính xác các dữ liệu này là nền tảng để biến tần xây dựng một mô hình toán học chính xác về động cơ, từ đó các thuật toán điều khiển (đặc biệt là điều khiển vector) mới có thể hoạt động hiệu quả, mang lại momen khỏe và ổn định ở mọi dải tốc độ.

Sau khi nhập dữ liệu động cơ, biến tần thường sẽ yêu cầu thực hiện chức năng nhận dạng động cơ, hay còn gọi là ID Run. Đây là một quá trình tự động mà trong đó biến tần sẽ phát ra các chuỗi xung điện áp thử vào động cơ đang đứng yên để đo đạc các đặc tính điện của nó như điện trở stator, điện cảm.
Kết quả đo được sẽ giúp biến tần tinh chỉnh lại mô hình toán học đã có, giúp việc điều khiển trở nên chính xác hơn nữa. Lưu ý rằng, để thực hiện chế độ ID Run tiêu chuẩn, trục động cơ cần được tách khỏi tải cơ khí.
Tiếp theo, người dùng sẽ tiến hành cài đặt các thông số vận hành cơ bản. Biến tần ABB thường cung cấp các bộ macro ứng dụng, là các bộ thông số được cấu hình sẵn cho các kiểu điều khiển phổ biến. Ví dụ, việc chọn macro “ABB Standard” sẽ tự động gán lệnh chạy/dừng cho ngõ vào DI1 và lệnh điều khiển tốc độ cho ngõ vào analog AI1.

Người dùng sau đó chỉ cần tinh chỉnh các thông số chính như thời gian tăng tốc (22.02) và thời gian giảm tốc (22.03) để phù hợp với đặc tính quán tính của tải, đảm bảo máy khởi động và dừng một cách êm ái.
Việc thiết lập các giới hạn vận hành như tốc độ tối thiểu và tối đa (30.11, 30.12) cũng rất quan trọng để bảo vệ hệ thống cơ khí khỏi việc chạy quá tốc độ cho phép. Sau khi hoàn thành các bước cài đặt này, hệ thống đã sẵn sàng cho việc chạy thử, kiểm tra chiều quay động cơ và tinh chỉnh lần cuối trước khi đưa vào vận hành chính thức.
7. Lỗi thường gặp và cách khắc phục khi sử dụng biến tần ABB
Ngay cả những thiết bị bền bỉ nhất cũng có thể gặp sự cố. Việc hiểu rõ các mã lỗi phổ biến và cách xử lý nhanh chóng sẽ giúp các kỹ sư giảm thiểu thời gian dừng máy và duy trì sự liên tục của sản xuất.

Biến tần ABB có hệ thống chẩn đoán lỗi rất thông minh, hiển thị mã lỗi (Fault code) và cảnh báo (Warning) rõ ràng trên màn hình. Dưới đây là bảng tổng hợp các lỗi thường gặp, nguyên nhân và hướng khắc phục:
| Mã lỗi (Fault code) | Tên lỗi (Fault name) | Nguyên nhân có thể | Hướng dẫn khắc phục |
| F0001 | OVERCURRENT (Quá dòng) | – Thời gian tăng tốc quá ngắn.
– Tải quá nặng, kẹt cơ khí. – Động cơ hoặc cáp động cơ bị ngắn mạch, chạm đất. – Cài đặt thông số động cơ không chính xác. |
– Tăng thời gian tăng tốc (thông số 22.02).
– Kiểm tra tải cơ khí, đảm bảo không bị kẹt. – Dùng mega-ohm meter kiểm tra cách điện của động cơ và cáp. – Kiểm tra và nhập lại chính xác thông số động cơ (nhóm 99). |
| F0002 | OVERVOLTAGE (Quá áp DC) | – Thời gian giảm tốc quá ngắn, làm động cơ hoạt động như một máy phát điện trả năng lượng về biến tần.
– Điện áp nguồn đầu vào quá cao. – Tải có quán tính lớn. |
– Tăng thời gian giảm tốc (thông số 22.03).
– Kiểm tra lại điện áp nguồn cấp. – Lắp đặt thêm điện trở hãm (braking resistor) và kích hoạt bộ hãm trong biến tần. |
| F0003 | DEV OVERTEMP (Quá nhiệt thiết bị) | – Quạt làm mát của biến tần bị hỏng hoặc bị kẹt.
– Nhiệt độ môi trường xung quanh quá cao. – Không gian lắp đặt không đủ thông thoáng, bụi bẩn bám vào tản nhiệt. |
– Kiểm tra và vệ sinh quạt làm mát, đảm bảo quạt quay tự do.
– Cải thiện hệ thống thông gió cho tủ điện, lắp thêm quạt hút hoặc máy lạnh tủ điện. – Vệ sinh tản nhiệt của biến tần. |
| F0009 | MOTOR OVERTEMP (Quá nhiệt động cơ) | – Động cơ bị quá tải liên tục.
– Cài đặt bảo vệ nhiệt động cơ trong biến tần chưa phù hợp. – Quạt làm mát của động cơ bị hỏng hoặc bám bẩn. |
– Kiểm tra tải, giảm tải nếu cần.
– Cài đặt lại các thông số bảo vệ nhiệt động cơ (30.05 đến 30.09) cho phù hợp. – Kiểm tra và vệ sinh quạt của động cơ. |
| F0016 | EARTH FAULT (Lỗi chạm đất) | – Cáp từ biến tần đến động cơ bị chạm đất.
– Bên trong động cơ bị chạm vỏ. – Tụ lọc EMC bên trong biến tần bị hỏng (hiếm gặp). |
– Ngắt kết nối động cơ khỏi biến tần và dùng mega-ohm meter để kiểm tra cách điện giữa các pha của cáp và đất.
– Kiểm tra cách điện của động cơ. Thay thế cáp hoặc động cơ nếu cần. |
| F0035 | OUTPUT PHASE LOSS (Mất pha đầu ra) | – Một trong 3 pha từ biến tần đến động cơ bị mất kết nối.
– Contactor giữa biến tần và động cơ mở ra khi đang chạy. – Động cơ bị hỏng một cuộn dây. |
– Kiểm tra lại toàn bộ kết nối cáp từ cọc U, V, W của biến tần đến hộp đấu dây của động cơ.
– Tháo bỏ contactor giữa biến tần và động cơ. – Kiểm tra điện trở 3 cuộn dây của động cơ. |
8. Ứng dụng thực tế của biến tần ABB trong công nghiệp
Sự hiện diện của biến tần ABB trong các ứng dụng công nghiệp là minh chứng rõ nét nhất cho vai trò cốt lõi của công nghệ truyền động trong việc tối ưu hóa quy trình, nâng cao hiệu suất và tiết kiệm năng lượng.
Việc ứng dụng biến tần không chỉ là một cải tiến kỹ thuật đơn lẻ mà là một quyết định mang tính chiến lược, tác động trực tiếp đến năng suất, chất lượng sản phẩm và chi phí vận hành. Dưới đây là phân tích chi tiết về các ứng dụng thực tế của biến tần ABB trong một số ngành công nghiệp trọng điểm.
Trong ngành bơm và quạt, bao gồm các hệ thống HVAC, trạm bơm cấp nước và xử lý nước thải, biến tần ABB phát huy hiệu quả tiết kiệm năng lượng một cách rõ rệt nhất. Các hệ thống này thuộc nhóm tải có momen thay đổi, nơi mà theo định luật tương tự (Affinity Laws), công suất tiêu thụ của động cơ tỷ lệ với lũy thừa bậc ba của tốc độ.
Các phương pháp điều khiển lưu lượng truyền thống, như sử dụng van tiết lưu hoặc cánh hướng dòng, vận hành động cơ ở tốc độ định mức và tiêu hao phần năng lượng dư thừa dưới dạng nhiệt và áp suất, gây ra lãng phí cực kỳ lớn. Bằng cách lắp đặt biến tần ABB, đặc biệt là các dòng chuyên dụng như ACH580 cho HVAC hoặc ACQ580 cho ngành nước, hệ thống có thể điều khiển trực tiếp tốc độ của động cơ.
Biến tần sử dụng bộ điều khiển PID tích hợp, nhận tín hiệu phản hồi từ các cảm biến (áp suất, lưu lượng, nhiệt độ) và tự động điều chỉnh tốc độ động cơ để duy trì chính xác giá trị đặt của quy trình. Việc giảm tốc độ chỉ 20% có thể dẫn đến mức tiết kiệm năng lượng lên tới 50%. Ngoài ra, chức năng khởi động và dừng mềm của biến tần giúp loại bỏ các cú sốc cơ khí và hiện tượng búa nước, qua đó kéo dài tuổi thọ của đường ống, van và các vòng bi.

Đối với ngành dệt may và sợi, một lĩnh vực đòi hỏi sự đồng bộ và kiểm soát lực căng ở mức độ chính xác cực cao, biến tần hiệu suất cao là thành phần không thể thiếu. Quy trình sản xuất từ kéo sợi, dệt vải, nhuộm đến công đoạn cuộn thành phẩm bao gồm nhiều trục quay phải vận hành đồng bộ với nhau một cách hoàn hảo.
Sai lệch nhỏ nhất về tốc độ hoặc lực căng có thể dẫn đến các lỗi sản phẩm như giãn sợi, chùng vải hoặc đứt chỉ, gây ra tổn thất nguyên liệu và thời gian dừng máy. Trong các ứng dụng này, các dòng biến tần công nghiệp như ACS880 với công nghệ điều khiển momen trực tiếp (DTC) được ưu tiên sử dụng. DTC cho phép biến tần đáp ứng với các thay đổi về momen gần như tức thời và điều khiển chính xác lực căng của vật liệu mà không cần đến các cảm biến phức tạp.
Các biến tần thường được cấu hình trong các hệ thống điều khiển đa trục (master-follower) hoặc sử dụng các khối chức năng điều khiển cuộn/xả cuộn chuyên dụng, đảm bảo sản phẩm cuối cùng có chất lượng đồng đều và đáp ứng các tiêu chuẩn xuất khẩu khắt khe.

Trong các ngành công nghiệp nặng như nhựa, cao su và chế biến vật liệu, các ứng dụng như máy đùn, máy trộn và máy cán đòi hỏi biến tần phải có khả năng cung cấp momen khởi động rất lớn và duy trì tốc độ ổn định dưới các điều kiện tải nặng và biến thiên. Các dòng biến tần công nghiệp như ACS580 (chế độ tải nặng) hoặc ACS880 đáp ứng hoàn hảo yêu cầu này.
Nhờ các thuật toán điều khiển vector hoặc DTC, biến tần có thể cung cấp đến 150-200% momen định mức ngay cả ở tốc độ gần bằng không, giúp vượt qua lực cản ban đầu của vật liệu. Quan trọng hơn, khả năng duy trì độ ổn định tốc độ (speed regulation) ở mức cao, ngay cả khi tải thay đổi đột ngột (ví dụ khi thêm nguyên liệu vào máy trộn), đảm bảo sản phẩm đầu ra có tiết diện, độ dày và chất lượng đồng nhất. Điều này trực tiếp nâng cao chất lượng sản phẩm và giảm tỷ lệ phế phẩm.
Đối với lĩnh vực nâng hạ và cẩu trục, nơi an toàn và độ chính xác là các yếu tố sống còn, biến tần ABB cung cấp các giải pháp chuyên dụng được tích hợp các tính năng an toàn ở cấp độ phần cứng và phần mềm. Các dòng biến tần cẩu trục chuyên dụng có một nhánh của ACS880 được trang bị firmware với các logic điều khiển đặc thù cho việc nâng/hạ (hoist), di chuyển xe con (trolley) và di chuyển toàn bộ cẩu (long travel).

Chúng tích hợp logic điều khiển phanh cơ khí một cách an toàn, đảm bảo phanh được nhả ra một cách đồng bộ khi biến tần bắt đầu sinh momen và đóng lại ngay lập tức khi dừng, ngăn chặn hoàn toàn hiện tượng trôi tải. Công nghệ DTC cho phép điều khiển momen mượt mà, loại bỏ các cú giật khi khởi động hoặc dừng, giúp định vị tải một cách chính xác.
Một tính năng quan trọng khác là khả năng hãm tái sinh. Trong quá trình hạ một tải nặng, động cơ hoạt động như một máy phát điện. Thay vì tiêu tán năng lượng này dưới dạng nhiệt trong các điện trở hãm, các hệ thống biến tần tái sinh (regenerative drives) sẽ chuyển đổi năng lượng này và trả ngược về lưới điện, giúp tiết kiệm đáng kể chi phí vận hành, đặc biệt với các cẩu trục hoạt động với chu kỳ liên tục tại các cảng biển hoặc nhà máy thép.
9. So sánh biến tần ABB với các thương hiệu khác
Việc lựa chọn một thương hiệu biến tần không chỉ là một quyết định mua sắm thiết bị mà còn là một lựa chọn chiến lược về công nghệ, hệ sinh thái và hỗ trợ kỹ thuật lâu dài. Trong môi trường công nghiệp cạnh tranh, ABB phải đối mặt với nhiều đối thủ mạnh, mỗi thương hiệu đều có những thế mạnh và định vị riêng. Phân tích dưới đây sẽ đi sâu vào việc so sánh kỹ thuật giữa biến tần ABB và các thương hiệu hàng đầu khác như Siemens, Mitsubishi Electric, Schneider Electric và INVT để cung cấp một cái nhìn toàn diện cho các kỹ sư và nhà quản lý.
9.1. Biến tần ABB so với biến tần Siemens
Cuộc đối đầu giữa ABB và Siemens là sự cạnh tranh giữa hai gã khổng lồ kỹ thuật châu Âu, cả hai đều là những nhà cung cấp giải pháp tự động hóa toàn diện và uy tín hàng đầu. Sự lựa chọn giữa hai thương hiệu này thường không chỉ dựa trên thông số kỹ thuật của riêng biến tần mà còn phụ thuộc vào triết lý điều khiển và hệ sinh thái tự động hóa mà doanh nghiệp đang hướng tới.
Ưu điểm nổi bật và khác biệt nhất của ABB, đặc biệt trong phân khúc biến tần công nghiệp hiệu suất cao như dòng ACS880, chính là công nghệ điều khiển momen trực tiếp (DTC – Direct Torque Control) độc quyền. Về mặt kỹ thuật, DTC là một thuật toán điều khiển tiên tiến cho phép biến tần tính toán và điều khiển trực tiếp trạng thái từ thông và momen của động cơ với chu kỳ xử lý cực nhanh. Điều này mang lại khả năng đáp ứng momen gần như tức thời (vài mili giây) và độ chính xác điều khiển tốc độ rất cao ngay cả trong chế độ vòng hở (không cần cảm biến encoder).
Đối với các ứng dụng đòi hỏi đáp ứng động cực cao như máy cán thép, máy cuộn/xả cuộn, cẩu trục và bàn thử nghiệm, DTC mang lại một lợi thế vận hành rõ rệt. Ngoài ra, các dòng biến tần đa dụng thế hệ mới của ABB như ACS580 được đánh giá cao về giao diện người dùng thân thiện, với bảng điều khiển hỗ trợ đa ngôn ngữ và trình hướng dẫn cài đặt trực quan, giúp giảm thiểu thời gian commissioning cho các ứng dụng độc lập.
Mặt khác, thế mạnh tuyệt đối của Siemens nằm ở Hệ sinh thái tự động hóa tích hợp toàn diện (TIA Portal – Totally Integrated Automation Portal). Đây là một nền tảng phần mềm duy nhất cho phép các kỹ sư lập trình, cấu hình, vận hành và chẩn đoán toàn bộ hệ thống tự động hóa, từ bộ điều khiển PLC (SIMATIC), giao diện HMI (SIMATIC WinCC) cho đến hệ thống truyền động (SINAMICS).

Đối với các dự án tích hợp hệ thống phức tạp, khả năng kéo-thả các biến và cấu hình mạng liền mạch giữa PLC và biến tần trong cùng một môi trường giúp tiết kiệm đáng kể thời gian kỹ thuật, giảm thiểu lỗi và đơn giản hóa quá trình bảo trì. Các dòng biến tần SINAMICS của Siemens, như G120 hay S120, nổi tiếng về độ tin cậy cơ khí, cấu trúc module linh hoạt và các chức năng an toàn tích hợp mạnh mẽ.
Về nhược điểm, mặc dù biến tần ABB có thể kết nối dễ dàng với các hệ thống PLC của Siemens thông qua các chuẩn truyền thông như Profinet, việc tích hợp này không thể đạt được mức độ “liền mạch” và sâu như khi sử dụng một biến tần SINAMICS trong TIA Portal.
Ngược lại, đối với các kỹ sư không chuyên sâu về hệ sinh thái TIA, việc cài đặt và vận hành một biến tần Siemens độc lập có thể cảm thấy phức tạp hơn so với giao diện hướng dẫn của ABB.
Do đó, quyết định lựa chọn thường dựa trên bối cảnh: nếu ứng dụng là một hệ thống độc lập đòi hỏi hiệu suất điều khiển momen cao nhất, ABB thường là lựa chọn tối ưu. Tuy nhiên, nếu biến tần là một phần của một dây chuyền tự động hóa lớn được tiêu chuẩn hóa trên nền tảng Siemens, việc lựa chọn SINAMICS sẽ mang lại lợi ích lâu dài về chi phí kỹ thuật và vận hành.
9.2. Biến tần ABB so với biến tần Mitsubishi Electric
So sánh giữa ABB và Mitsubishi Electric là so sánh giữa một tập đoàn công nghệ toàn cầu tập trung vào các ngành công nghiệp nặng và quy trình, với một nhà sản xuất Nhật Bản có thế mạnh tuyệt đối trong lĩnh vực tự động hóa máy móc và nhà máy (Factory Automation).
Thế mạnh của ABB trong cuộc so sánh này nằm ở dải công suất cực kỳ rộng, đặc biệt là ở phân khúc công suất lớn và trung thế, cùng với các giải pháp chuyên dụng cho các ngành công nghiệp quy trình như xi măng, khai khoáng, giấy và bột giấy. Công nghệ DTC và các thuật toán điều khiển tiên tiến giúp biến tần ABB xử lý hiệu quả các tải nặng và phức tạp. Độ bền của sản phẩm, đặc biệt là việc bo mạch được phủ lớp bảo vệ (conformal coating) theo tiêu chuẩn, giúp biến tần ABB hoạt động ổn định trong các môi trường công nghiệp khắc nghiệt, nơi có độ ẩm và bụi bẩn cao.
Ngược lại, Mitsubishi Electric là một thế lực thống trị trong thị trường nhà chế tạo máy (OEM), đặc biệt là các máy móc có xuất xứ từ châu Á. Các dòng biến tần FR-Series của họ, như FR-A800 hay FR-E800, nổi tiếng về độ tin cậy gần như tuyệt đối, sự nhỏ gọn về kích thước và hiệu suất điều khiển vượt trội cho các ứng dụng chuyển động.
Ưu điểm cốt lõi của Mitsubishi là khả năng tích hợp liền mạch và hiệu suất cao với các sản phẩm khác trong hệ sinh thái của họ, bao gồm PLC MELSEC, HMI GOT và đặc biệt là hệ thống servo MR-J. Đối với các ứng dụng đòi hỏi định vị chính xác, điều khiển đồng bộ nhiều trục hoặc các bài toán nội suy phức tạp trong các máy công cụ CNC, máy đóng gói tốc độ cao, robot, giải pháp đồng bộ của Mitsubishi thường mang lại hiệu quả cao với chi phí cạnh tranh.

⇨ Tìm hiểu thêm về các loại biến tần cho máy công cụ CNC
Về mặt hạn chế, dải sản phẩm công suất lớn của Mitsubishi không rộng bằng ABB và họ cũng ít tập trung vào các giải pháp chuyên dụng cho các ngành công nghiệp nặng. Ngược lại, mặc dù ABB có các dòng biến tần cho máy móc, chúng có thể không đạt được mức độ tối ưu hóa về kích thước và chi phí ở phân khúc công suất nhỏ như các sản phẩm chuyên dụng của Mitsubishi.

Do đó, lựa chọn phụ thuộc nhiều vào ứng dụng: đối với các quy trình công nghiệp, các hệ thống tải nặng và công suất lớn, ABB thường có lợi thế. Đối với việc chế tạo các máy móc nhỏ gọn, tốc độ cao và đòi hỏi độ chính xác chuyển động thì biến tần Mitsubishi Electric là một lựa chọn cực kỳ mạnh mẽ.
9.3. Biến tần ABB so với biến tần Schneider Electric
ABB và Schneider Electric là hai đối thủ cạnh tranh trực tiếp từ châu Âu, cùng nhắm đến nhiều phân khúc thị trường tương đồng. Tuy nhiên, mỗi thương hiệu lại có những triết lý và thế mạnh riêng được định hình bởi lịch sử phát triển của mình.
ABB với di sản từ ASEA và BBC đã có một nền tảng rất vững chắc về công nghệ truyền động và máy điện. Điều này thể hiện qua việc họ liên tục đổi mới và dẫn đầu về các thuật toán điều khiển cốt lõi như DTC. Sức mạnh của ABB nằm ở hiệu suất và độ tin cậy của chính thiết bị truyền động, với khả năng đáp ứng các yêu cầu kỹ thuật khắt khe nhất trong các ngành công nghiệp nặng.
Trong khi đó, Schneider Electric có nguồn gốc và thế mạnh truyền thống trong lĩnh vực phân phối điện và quản lý năng lượng. Triết lý này được thể hiện rõ trong các dòng biến tần thế hệ mới của họ, đặc biệt là dòng Altivar Process. Ưu điểm lớn nhất của Altivar Process không chỉ nằm ở khả năng điều khiển động cơ, mà còn ở việc nó được thiết kế như một thiết bị thông minh trong hệ sinh thái EcoStruxure, một nền tảng IoT công nghiệp.
Các biến tần này được tích hợp sẵn các dịch vụ web server, cho phép người dùng truy cập các bảng điều khiển năng lượng, theo dõi hiệu suất quy trình và nhận các cảnh báo bảo trì dự đoán ngay trên trình duyệt web mà không cần phần mềm chuyên dụng. Chúng rất mạnh trong việc cung cấp dữ liệu vận hành, giúp các nhà quản lý nhà máy tối ưu hóa hiệu suất tổng thể của thiết bị (OEE) và giảm chi phí năng lượng. Schneider Electric đặc biệt mạnh trong các giải pháp cho ngành nước và xử lý nước thải (WWW), thực phẩm và đồ uống (F&B) và tự động hóa tòa nhà (BMS).

Nhược điểm của Schneider Electric so với ABB có thể là họ không có một công nghệ điều khiển động độc quyền và nổi bật như DTC. Ngược lại, biến tần ABB có thể bị xem là kém linh hoạt hơn trong việc tích hợp và cung cấp dữ liệu cho các hệ thống quản lý năng lượng và quy trình cấp cao nếu so sánh với các tính năng IoT sẵn có trên Altivar Process.
Sự lựa chọn ở đây mang tính chiến lược nên nếu ưu tiên hàng đầu là hiệu suất điều khiển động cơ ở mức cao nhất thì ABB có thể là câu trả lời. Nếu dự án yêu cầu biến tần phải là một mắt xích thông minh trong một hệ thống quản lý vận hành và năng lượng toàn diện thì biến tần Schneider Electric sẽ mang lại nhiều giá trị gia tăng hơn.
9.4. Biến tần ABB so với biến tần INVT
Đây là một cuộc so sánh giữa hai phân khúc thị trường hoàn toàn khác nhau: một thương hiệu cao cấp, tiên phong về công nghệ từ châu Âu và một thương hiệu hàng đầu đến từ Trung Quốc, tập trung vào việc cung cấp các giải pháp có hiệu suất tốt với giá thành cạnh tranh.
Ưu điểm của ABB là không thể bàn cãi về mặt công nghệ, chất lượng và độ tin cậy. Các sản phẩm của ABB được thiết kế và sản xuất theo các tiêu chuẩn quốc tế khắt khe, sử dụng các linh kiện chất lượng cao và quy trình kiểm tra nghiêm ngặt.
Các tính năng như bo mạch được phủ lớp bảo vệ tiêu chuẩn, các thuật toán điều khiển tiên tiến, dải sản phẩm rộng và các chức năng an toàn tích hợp toàn diện giúp biến tần ABB trở thành lựa chọn mặc định cho các ứng dụng quan trọng, nơi mà bất kỳ sự cố dừng máy nào cũng gây ra thiệt hại kinh tế lớn. Tổng chi phí sở hữu (TCO) của một biến tần ABB trong dài hạn thường thấp hơn do tuổi thọ cao và chi phí bảo trì, sửa chữa thấp.
Thế mạnh lớn nhất và không thể phủ nhận của INVT là giá thành đầu tư ban đầu. INVT đã thành công trong việc cung cấp các sản phẩm biến tần có đầy đủ các tính năng cơ bản và hiệu suất đủ tốt cho phần lớn các ứng dụng phổ thông với một mức giá cực kỳ cạnh tranh. Điều này đã giúp tự động hóa trở nên dễ tiếp cận hơn đối với các doanh nghiệp vừa và nhỏ (SMEs) có ngân sách hạn chế.

Trong những năm gần đây, chất lượng sản phẩm của INVT đã được cải thiện đáng kể và họ cũng đã phát triển các dòng sản phẩm chuyên dụng cho cẩu trục, máy ép nhựa với hiệu suất tốt. Mạng lưới phân phối và hỗ trợ kỹ thuật của INVT tại thị trường Việt Nam cũng rất mạnh.
Tuy nhiên, khi đặt lên bàn cân thì biến tần INVT vẫn có những hạn chế so với ABB. Đối với các ứng dụng đòi hỏi đáp ứng động cao, điều khiển momen chính xác hoặc vận hành trong các điều kiện môi trường quá khắc nghiệt, hiệu suất và độ bền của biến tần INVT có thể không đáp ứng được.
Các tính năng phần mềm, khả năng kết nối mạng và các chức năng an toàn tích hợp cũng không thể toàn diện và sâu sắc bằng các sản phẩm của ABB. Quyết định lựa chọn giữa hai thương hiệu này là một sự đánh đổi rõ ràng: nếu ứng dụng không mang tính sống còn, yêu cầu kỹ thuật ở mức cơ bản và ngân sách đầu tư ban đầu là yếu tố quyết định, INVT là một giải pháp rất hợp lý.
Nhưng đối với các dây chuyền sản xuất trọng yếu, các ứng dụng đòi hỏi hiệu suất cao và độ tin cậy tuyệt đối, việc đầu tư vào một biến tần ABB sẽ là một quyết định an toàn và mang lại hiệu quả kinh tế cao hơn trong dài hạn.
Ngoài ra, chúng ta có thể tham khảo thêm các hãng khác như biến tần Fuji,…
10. Mua biến tần ABB ở đâu?
Khi đã xác định được biến tần ABB là lựa chọn phù hợp, việc tìm một nhà cung cấp uy tín là bước cuối cùng và quan trọng nhất để đảm bảo hiệu quả đầu tư. Một nhà cung cấp chuyên nghiệp không chỉ bán sản phẩm mà còn mang đến một giải pháp hoàn chỉnh và sự an tâm trong suốt vòng đời của thiết bị.
Thanh Thiên Phú là một đối tác đáng tin cậy, cung cấp các giá trị vượt trội cho khách hàng. Chúng tôi cam kết tất cả sản phẩm biến tần ABB đều là hàng chính hãng 100%, đi kèm đầy đủ giấy tờ chứng nhận nguồn gốc và chất lượng (CO/CQ), cùng chính sách bảo hành theo đúng tiêu chuẩn của nhà sản xuất.
Thay vì chỉ bán hàng dựa trên công suất, đội ngũ kỹ sư của chúng tôi sẽ tư vấn kỹ thuật chuyên sâu để phân tích ứng dụng và giúp bạn chọn đúng dòng sản phẩm, tối ưu giữa hiệu suất và chi phí.
Dịch vụ của chúng tôi còn bao gồm hỗ trợ kỹ thuật trong quá trình lắp đặt, cài đặt và xử lý sự cố. Chúng tôi luôn nỗ lực để mang đến mức giá cạnh tranh nhất, đi kèm với sự minh bạch trong báo giá và dịch vụ hậu mãi chu đáo.
Để nhận được tư vấn kỹ thuật chuyên sâu và báo giá ưu đãi nhất cho dự án của bạn, hãy liên hệ ngay với Thanh Thiên Phú qua thông tin sau:
- Hotline: 08.12.77.88.99
- Địa chỉ: 20 đường 29, Khu phố 2, Phường Cát Lái, Thành phố Hồ Chí Minh
- Website: thanhthienphu.vn
