Vui lòng để lại số điện thoại, chúng tôi sẽ gọi lại sau 5 phút
Biến tần Siemens V20
Bạn cần tìm kiếm sản phẩm của mình?
Chọn bộ lọc bên dưới giúp lọc nhanh sản phẩm tìm kiếm
Biến tần Siemens V20 là một thiết bị điều khiển truyền động cơ bản do Siemens phát triển, có chức năng chính là tối ưu hóa hiệu suất hoạt động của động cơ và tiết kiệm năng lượng. Đối với các kỹ sư điện hoặc quản lý kỹ thuật đang cần một phương án để nâng cấp hệ thống máy móc cũ, thiết bị này cung cấp giải pháp vượt trội cho vấn đề chi phí vận hành và hiệu quả sản xuất.
1. Giới thiệu về biến tần V20
Trong giai đoạn ngành công nghiệp Việt Nam đang phát triển mạnh theo hướng tự động hóa, việc tối ưu hóa các thành phần trong dây chuyền sản xuất là một yếu tố rất quan trọng. Với các hệ thống sử dụng động cơ điện, một trong những vấn đề chính là làm thế nào để điều khiển tốc độ linh hoạt, tiết kiệm năng lượng và tăng độ bền của thiết bị.
Biến tần Siemens V20, còn được gọi là SINAMICS V20, được phát triển để đáp ứng những yêu cầu này. Về mặt kỹ thuật, đây là một thiết bị điện tử công suất có chức năng biến đổi dòng điện có tần số cố định, ví dụ 50Hz tại Việt Nam, thành dòng điện có tần số có thể điều chỉnh được.

Mục đích của việc thay đổi tần số là để kiểm soát tốc độ của động cơ không đồng bộ ba pha. Đây là loại động cơ được sử dụng rộng rãi trong các ứng dụng công nghiệp như bơm, quạt, băng tải, và máy trộn.
Thay vì khởi động trực tiếp và luôn vận hành ở tốc độ định mức gây tốn điện và hao mòn cơ khí, biến tần cho phép động cơ khởi động êm, tăng tốc mượt và hoạt động ở tốc độ chính xác theo yêu cầu ứng dụng. Điều này giúp giảm tiêu thụ điện năng, đồng thời bảo vệ động cơ và các bộ phận cơ khí khỏi các tác động lực đột ngột khi khởi động hoặc dừng lại.

Sản phẩm này được định vị là dòng biến tần cơ bản, tập trung vào sự đơn giản, hiệu quả và giá thành hợp lý, hướng đến đối tượng khách hàng là kỹ sư, kỹ thuật viên và chủ doanh nghiệp vừa và nhỏ, những người cần một giải pháp đáng tin cậy không quá phức tạp về kỹ thuật và chi phí.
2. Đặc điểm của biến tần V20 Siemens
Biến tần Siemens V20 là một sản phẩm công nghệ của Đức, được thiết kế để giải quyết các vấn đề mà kỹ sư và chủ doanh nghiệp tại Việt Nam thường gặp. Các đặc điểm của sản phẩm tập trung vào bốn khía cạnh chính: hiệu quả kinh tế, vận hành đơn giản, độ bền và khả năng tích hợp.
Về hiệu quả kinh tế, đây là ưu điểm quan trọng, trực tiếp giải quyết nhu cầu tiết kiệm chi phí của doanh nghiệp. Biến tần V20 tích hợp các công nghệ tiết kiệm năng lượng. Chế độ ECO (V/f, V2/f) được tối ưu hóa cho ứng dụng có mô-men tải biến đổi như bơm và quạt bằng cách tự động điều chỉnh điện áp đầu ra, có thể giảm tiêu thụ điện năng đến 60%. Chế độ ngủ đông (Hibernation Mode) tự động đưa động cơ vào trạng thái nghỉ khi nhu cầu sử dụng thấp, loại bỏ điện năng tiêu thụ trong thời gian chờ. Thêm vào đó, biến tần cho phép theo dõi năng lượng tiêu thụ trực tiếp trên màn hình, cung cấp dữ liệu để đánh giá hiệu quả đầu tư.
Về vận hành và lắp đặt, V20 được thiết kế để triển khai nhanh chóng. Thiết kế nhỏ gọn cho phép lắp đặt sát nhau trong tủ điện, tiết kiệm không gian. Sản phẩm hỗ trợ cả lắp đặt trên thanh ray DIN và bắt vít.

Các macro ứng dụng cài đặt sẵn cho bơm, quạt, băng tải giúp người dùng chỉ cần chọn đúng macro để biến tần tự động tối ưu thông số. Tính năng sao chép thông số qua màn hình BOP hoặc module riêng giúp tiết kiệm thời gian và đảm bảo tính nhất quán khi cài đặt hàng loạt.
Về độ bền và sự tin cậy, biến tần V20 được chế tạo để hoạt động trong các điều kiện công nghiệp thông thường có nhiệt độ cao, bụi và điện lưới không ổn định. Dải điện áp hoạt động rộng giúp biến tần ổn định khi có sụt áp hoặc tăng áp. Bo mạch công suất có lớp phủ bảo vệ và hệ thống tản nhiệt hiệu quả, cho phép hoạt động ở nhiệt độ môi trường lên tới 60°C. Các model từ 7.5kW trở lên có tích hợp bộ hãm động năng để triệt tiêu năng lượng tái sinh.

Về khả năng kết nối, V20 tích hợp sẵn cổng giao tiếp RS485 hỗ trợ chuẩn Modbus RTU. Điều này cho phép kết nối với các hệ thống PLC, HMI và SCADA để giám sát và điều khiển tập trung, phù hợp với yêu cầu của các nhà máy hiện đại.
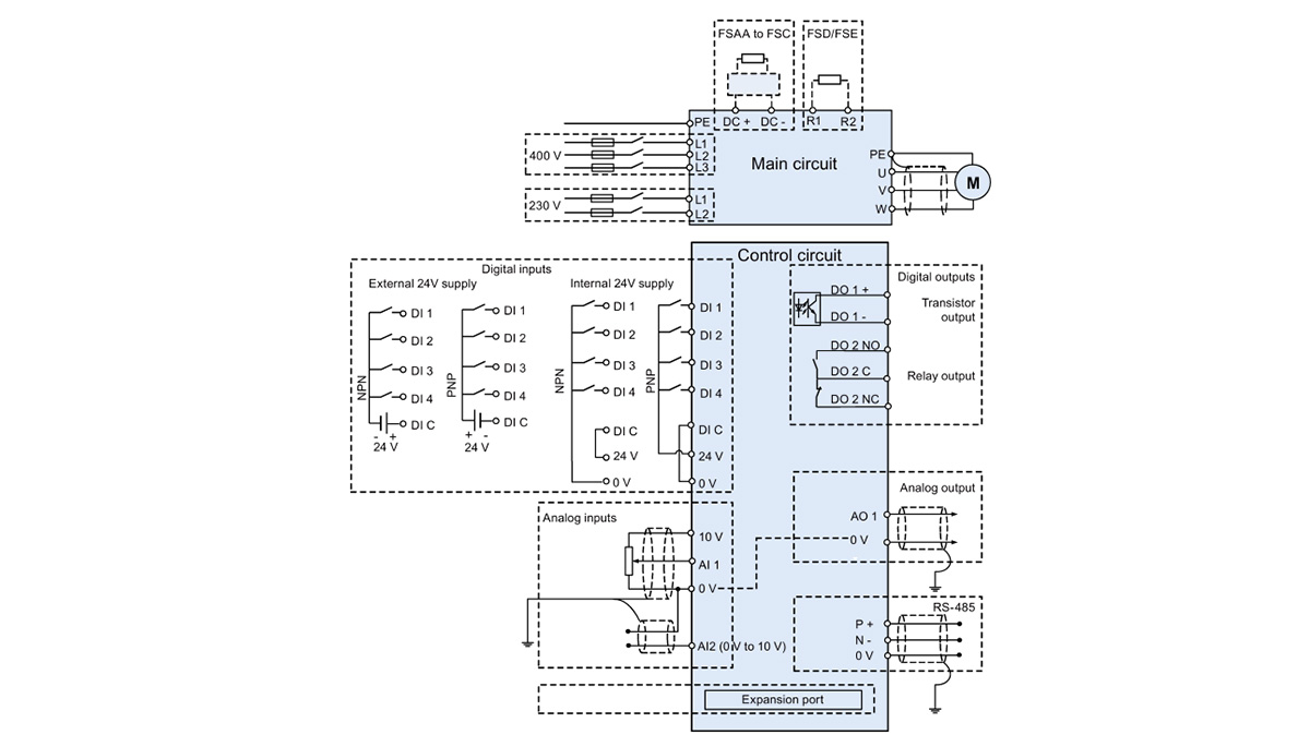
3. Sơ đồ đấu dây biến tần Siemens V20
Đấu dây chính xác là bước đầu tiên để biến tần Siemens V20 hoạt động an toàn và hiệu quả. Sơ đồ đấu dây được chia thành khu vực mạch động lực và mạch điều khiển, giúp kỹ thuật viên dễ dàng lắp đặt, kiểm tra và xử lý sự cố.
Khu vực mạch động lực là nơi kết nối nguồn điện và động cơ, bao gồm ngõ vào nguồn (L1, L2, L3 hoặc L/+, N/-), ngõ ra động cơ (U, V, W), kết nối điện trở hãm (B+, B-) và kết nối DC Bus (DCP/+, DCN/-). Khu vực mạch điều khiển là nơi kết nối các tín hiệu điều khiển ngoài như nút nhấn, công tắc, biến trở và PLC.

Bảng dưới đây mô tả chức năng chi tiết của các cọc đấu dây điều khiển:
| Cọc đấu dây | Tên gọi | Chức năng mặc định/phổ biến | Ghi chú |
| DI1 – DI4 | Digital Input | Ngõ vào số. Ví dụ: DI1 cho lệnh chạy/dừng (ON/OFF), DI2 cho lệnh đảo chiều quay. | Có thể lập trình chức năng linh hoạt. |
| AI1, AI2 | Analog Input | Ngõ vào tương tự. Ví dụ: AI1 kết nối với biến trở ngoài để điều chỉnh tốc độ. AI2 kết nối với cảm biến áp suất (4-20mA). | Dùng để nhận tín hiệu điều khiển tốc độ hoặc tín hiệu phản hồi từ cảm biến. |
| AO1 | Analog Output | Ngõ ra tương tự. Ví dụ: xuất tín hiệu 0-10V tương ứng với tần số hoặc dòng điện của động cơ để hiển thị trên đồng hồ kim. | Dùng để giám sát trạng thái biến tần. |
| DO1, DO2 | Digital Output | Ngõ ra số (Relay). Ví dụ: báo trạng thái biến tần đang chạy, báo lỗi. | Dùng để điều khiển các thiết bị ngoại vi như đèn báo, còi. |
| P+, P- | RS485 | Cổng giao tiếp truyền thông Modbus RTU. | Dùng để kết nối biến tần vào mạng điều khiển với PLC, HMI. |
| 10V / GND | Nguồn 10V | Cung cấp nguồn 10VDC cho biến trở ngoài. | Đảm bảo không làm ngắn mạch nguồn này. |
| 24V / 0V | Nguồn 24V | Cung cấp nguồn 24VDC cho các ngõ vào số (DI). | Chú ý công suất tối đa của nguồn. |
4. Hướng dẫn cài đặt biến tần V20 Siemens
Sau khi đấu dây, cần cài đặt thông số để biến tần điều khiển động cơ đúng yêu cầu. Quá trình này được thực hiện qua màn hình BOP tích hợp và hệ thống thông số được sắp xếp khoa học.
Bước 1 là nhập thông số động cơ (Motor Data). Đây là bước quan trọng, quyết định hiệu quả điều khiển. Các thông số cần nhập bao gồm điện áp định mức (P0304), dòng điện định mức (P0305), công suất định mức (P0307), tần số định mức (P0310) và tốc độ định mức (P0311). Sau đó, chọn ‘2’ ở thông số P1900 để biến tần tự động nhận dạng và tối ưu hóa.

Bước 2 là lựa chọn Macro ứng dụng. V20 có các bộ thông số cài đặt sẵn gọi là Macro. Người dùng truy cập thông số P0096 và chọn Macro phù hợp, ví dụ Macro số 1 cho Bơm/Quạt, số 2 cho Băng tải, số 3 cho Máy nén.
| Giá trị P0096 | Ứng dụng | Mô tả |
| 1 | Bơm/Quạt (Pumps/Fans) | Tối ưu cho tải có mô-men thay đổi, kích hoạt chế độ tiết kiệm năng lượng. |
| 2 | Băng tải (Conveyor) | Cài đặt cho các ứng dụng yêu cầu mô-men khởi động ổn định. |
| 3 | Máy nén (Compressor) | Phù hợp cho tải có yêu cầu mô-men không đổi. |
| 7 | Điều khiển cơ bản | Cài đặt gốc, cho phép tùy chỉnh sâu hơn. |
Bước 3 là cài đặt nguồn lệnh và nguồn đặt tần số. Thông số P0700 dùng để chọn nguồn lệnh (từ màn hình BOP, từ cọc điều khiển DI, hoặc từ bus truyền thông). Thông số P1000 dùng để chọn nguồn đặt tần số (từ màn hình BOP, từ ngõ vào analog AI, hoặc từ bus truyền thông).
Bước 4 là cài đặt các thông số cơ bản khác, bao gồm tần số tối thiểu (P1080), tần số tối đa (P1082), thời gian tăng tốc (P1120) và thời gian giảm tốc (P1121).
Ví dụ, để cài đặt biến tần cho máy bơm nước 2.2kW điều khiển bằng công tắc ngoài và biến trở, người dùng cần nhập thông số động cơ, chọn Macro Bơm/Quạt, chọn nguồn lệnh từ DI, chọn nguồn đặt tần số từ AI, và cài đặt thời gian tăng/giảm tốc phù hợp.
5. Ứng dụng biến tần V20 trong công nghiệp
Sự linh hoạt và chi phí hợp lý của biến tần Siemens V20 giúp nó được ứng dụng trong nhiều ngành công nghiệp tại Việt Nam, từ sản xuất, xây dựng đến nông nghiệp công nghệ cao.
Trong ngành sản xuất công nghiệp, biến tần V20 được sử dụng phổ biến để điều khiển băng tải và dây chuyền lắp ráp, giúp điều chỉnh tốc độ chính xác để đồng bộ giữa các công đoạn và giảm ùn tắc sản phẩm. Tính năng khởi động mềm của nó cũng làm giảm sự mài mòn cho băng tải và hộp số.

Đối với các loại máy công cụ CNC như máy tiện, máy phay, biến tần cho phép điều chỉnh tốc độ trục chính một cách linh hoạt để phù hợp với từng loại vật liệu và dao cụ, từ đó nâng cao chất lượng bề mặt gia công.
⇨ Tìm hiểu thêm về các loại biến tần cho máy CNC: máy tiện, máy phay,…

Trong các ứng dụng máy trộn và máy khuấy, thiết bị này cho phép thay đổi tốc độ theo từng giai đoạn của quy trình, đảm bảo sản phẩm đầu ra được đồng đều và tránh văng bắn vật liệu khi khởi động. Tương tự, ở các máy đóng gói và dán nhãn, việc đồng bộ hóa tốc độ các cơ cấu giúp đảm bảo độ chính xác và tăng năng suất.
Đối với lĩnh vực xây dựng và hạ tầng, V20 mang lại hiệu quả rõ rệt cho các hệ thống bơm cấp nước và bơm tăng áp. Nó giúp duy trì áp suất ổn định trong đường ống, tiết kiệm năng lượng đáng kể thông qua chế độ ECO và chế độ ngủ đông, đồng thời giảm thiểu hiện tượng búa nước gây hại cho hệ thống.
Với các hệ thống quạt thông gió và quạt hút khói, biến tần điều khiển lưu lượng không khí dựa trên nhu cầu thực tế, ví dụ như theo nồng độ CO2, giúp tiết kiệm điện và giảm tiếng ồn. Các thiết bị như thang cuốn và băng chuyền hành lý cũng được hưởng lợi từ khả năng vận hành êm ái, khởi động và dừng mượt mà, mang lại sự thoải mái và an toàn cho người sử dụng.
Trong ngành năng lượng, môi trường và nông nghiệp công nghệ cao, biến tần V20 cũng đóng vai trò quan trọng. Nó được dùng để điều khiển bơm trong các hệ thống xử lý nước thải, giúp điều chỉnh lưu lượng dựa trên mức nước trong bể chứa để tối ưu hóa quy trình. Các quạt làm mát cho tháp giải nhiệt cũng sử dụng biến tần để điều chỉnh tốc độ theo nhiệt độ nước, duy trì hiệu quả làm mát và tiết kiệm năng lượng.

Trong nông nghiệp, biến tần điều khiển hệ thống bơm tưới tiêu để điều chỉnh áp lực và lưu lượng nước phù hợp với từng loại cây trồng, giúp tiết kiệm nước và điện. Ngoài ra, nó còn điều khiển quạt đối lưu trong nhà kính, tạo ra môi trường không khí đồng đều, hỗ trợ cây trồng phát triển tốt hơn.
Việc ứng dụng biến tần V20 là một khoản đầu tư mang tính chiến lược. Nó giúp giảm tiếng ồn từ động cơ, giảm hóa đơn tiền điện và tăng tính ổn định của dây chuyền sản xuất.
6. Các mã biến tần V20 Siemens phổ biến
Hiểu rõ cách đặt tên và các mã sản phẩm phổ biến là cần thiết để lựa chọn đúng thiết bị. Thanhthienphu.vn cung cấp đầy đủ các dòng sản phẩm biến tần V20 chính hãng.

Dưới đây là bảng liệt kê một số mã hàng thông dụng.
| Mã sản phẩm | Mô tả | Ứng dụng tiêu biểu |
| 6SL3210-5BB13-7UV1 | Biến tần 1 pha 200-240V, 0.37kW, không lọc EMC | Quạt thông gió nhỏ, máy bơm mini, máy may công nghiệp. |
| 6SL3210-5BB17-5UV1 | Biến tần 0.75kW, 1 pha 200-240V, không lọc EMC | Băng tải nhẹ, máy trộn nhỏ, máy đóng gói đơn giản. |
| 6SL3210-5BB21-5UV1 | Biến tần 1.5kW, 1 pha 200-240V, không lọc EMC | Bơm cấp nước sinh hoạt, máy chế biến thực phẩm cỡ nhỏ. |
| 6SL3210-5BB22-2UV1 | Biến tần 2.2kW, 1 pha 200-240V, không lọc EMC | Biến tần cho các động cơ 1 pha 220V yêu cầu điều chỉnh tốc độ, máy công cụ nhỏ. |
| 6SL3210-5BE15-5CV0 | Biến tần 3 pha 380-480V, 0.55kW, lọc EMC C3 | Các động cơ 3 pha công suất nhỏ trong dây chuyền. |
| 6SL3210-5BE21-5CV0 | 3 pha 380-480V, 1.5kW, lọc EMC C3 | Bơm tuần hoàn, quạt ly tâm, băng tải sản phẩm. |
| 6SL3210-5BE24-0CV0 | Biến tần 4.0kW, 3 pha 380-480V, lọc EMC C3 | Biến tần cho các máy nén khí cỡ nhỏ, máy trộn vật liệu, máy ép nhựa. |
| 6SL3210-5BE27-5CV0 | Biến tần 7.5kW, 3 pha 380-480V, lọc EMC C3 | Bơm chìm, quạt công nghiệp lớn, các ứng dụng tải nặng. |
| 6SL3210-5BE31-1CV0 | Biến tần 11kW, 3 pha 380-480V, lọc EMC C3 | Biến tần cho cần trục nhỏ, hệ thống bơm PCCC, máy nghiền. |
| 6SL3210-5BE31-8CV0 | 3 pha 380-480V, 18.5kW, lọc EMC C3 | Các động cơ công suất lớn trong nhà máy thép, xi măng, dệt nhuộm. |
7. Hướng dẫn lựa chọn biến tần V20 Siemens
Lựa chọn biến tần phù hợp yêu cầu xem xét nhiều yếu tố để đảm bảo hệ thống hoạt động ổn định và tối ưu chi phí. Quy trình lựa chọn gồm 4 bước.
Đầu tiên, cần xác định thông số động cơ và nguồn điện. Luôn chọn biến tần có công suất bằng hoặc lớn hơn một cấp so với công suất động cơ. Đồng thời, phải xác định chính xác điện áp nguồn cấp là 1 pha 220V hay 3 pha 380V để chọn đúng loại biến tần. Việc kiểm tra dòng định mức của động cơ và so sánh với dòng ra liên tục của biến tần cũng cần thiết để đảm bảo biến tần không bị quá tải.

Thứ hai, cần phân tích đặc tính tải của ứng dụng. Các ứng dụng tải nhẹ như bơm, quạt có mô-men tải biến đổi (VT), có thể chọn biến tần có khả năng quá tải thấp. Các ứng dụng tải nặng như băng tải, máy trộn, cần trục có mô-men không đổi (CT), yêu cầu biến tần có khả năng quá tải cao hơn.
Thứ ba, cần xem xét yêu cầu về điều khiển và môi trường. Cần xác định số lượng ngõ vào/ra (I/O) cần thiết và khả năng kết nối truyền thông với PLC hoặc HMI. Đối với môi trường lắp đặt, nếu có nhiều bụi bẩn hoặc độ ẩm cao, cần lắp biến tần trong tủ điện có cấp bảo vệ IP phù hợp. Nếu có yêu cầu về nhiễu điện từ, nên chọn model có tích hợp bộ lọc EMC.
Cuối cùng là lựa chọn nhà cung cấp uy tín. Một nhà cung cấp tốt sẽ đảm bảo bạn nhận được sản phẩm chính hãng, giá cả cạnh tranh, chính sách bảo hành rõ ràng và sự hỗ trợ kỹ thuật chuyên nghiệp trong việc lựa chọn, lắp đặt và xử lý các vấn đề phát sinh.
8. Mua biến tần V20 Siemens ở đâu?
Trên thị trường thiết bị điện công nghiệp, việc tìm kiếm một nhà cung cấp biến tần Siemens V20 chính hãng, có giá tốt và cung cấp hỗ trợ kỹ thuật đáng tin cậy có thể là một thách thức. Sự lựa chọn này có ảnh hưởng đến hiệu quả đầu tư và sự ổn định của dây chuyền sản xuất.

Là đại lý phân phối chính thức của Siemens tại Việt Nam, Thanh Thiên Phú cam kết mang đến sản phẩm biến tần V20 chính hãng với mức giá cạnh tranh. Chúng tôi đảm bảo nguồn hàng dồi dào, sẵn sàng giao nhanh và đồng hành cùng khách hàng với đội ngũ kỹ sư giàu kinh nghiệm, cung cấp hỗ trợ kỹ thuật toàn diện từ tư vấn, lắp đặt cho đến dịch vụ hậu mãi và bảo hành chính hãng 12 tháng.
Để hiện đại hóa nhà máy, tối ưu hóa sản xuất và nâng cao hiệu quả hoạt động, hãy xem xét việc nâng cấp hệ thống của bạn.
Liên hệ ngay với Thanh Thiên Phú để nhận tư vấn và báo giá:
- Hotline: 08.12.77.88.99
- Địa chỉ: 20 đường 29, Khu phố 2, Phường Cát Lái, Thành phố Hồ Chí Minh
- Website: thanhthienphu.vn
